Magna Concursos
3681910 Ano: 2025
Disciplina: Eletroeletrônica
Banca: FUNDATEC
Orgão: IF-RS
Provas:
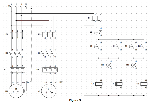
Analise a Figura 9 abaixo, que apresenta os diagramas de força e controle de dois motores M1 e M2:


Enunciado 4435191-1


Sobre os diagramas apresentados, assinale a alternativa correta.
 

Provas

Questão presente nas seguintes provas

Engenheiro Eletricista

40 Questões