Observe a figura a seguir:

(Arquivo pessoal; imagem usada com autorização)
A imagem representa um tipo de partida de um motor elétrico, denominado de partida
Provas
Questão presente nas seguintes provas
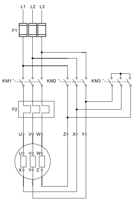
Observe a figura a seguir:

(Arquivo pessoal; imagem usada com autorização)
A imagem representa um tipo de partida de um motor elétrico, denominado de partida