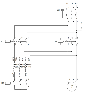
Considere o diagrama de ligação de um motor de indução trifásico apresentado a seguir.

Analisando o diagrama, é correto afirmar que se trata de uma partida com chave
Provas
Questão presente nas seguintes provas
Considere o diagrama de ligação de um motor de indução trifásico apresentado a seguir.

Analisando o diagrama, é correto afirmar que se trata de uma partida com chave