Magna Concursos
3875325 Ano: 2024
Disciplina: Eletroeletrônica
Banca: VUNESP
Orgão: UNICAMP
Provas:

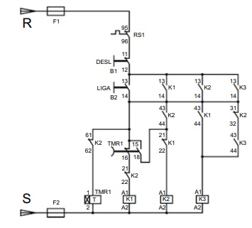
Considere o seguinte circuito de comando elétrico.

Enunciado 4738204-1

Trata-se do circuito de comando de uma chave de partida

 

Provas

Questão presente nas seguintes provas

Eletricista

50 Questões