4028784
Ano: 2026
Disciplina: Eletroeletrônica
Banca: VUNESP
Orgão: Pref. São José Rio Preto-SP
Disciplina: Eletroeletrônica
Banca: VUNESP
Orgão: Pref. São José Rio Preto-SP
Provas:
- EletrotécnicaCircuitos Elétricos em Eletricidade
- EletrotécnicaCircuitos de Corrente Contínua e de Corrente Alternada
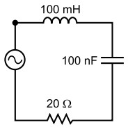
Considere o circuito da figura a seguir, em que a fonte de tensão senoidal fornece uma tensão v(t) = 112 cos ωt V.

(Arquivo pessoal; figura usada com autorização)
Assinale a alternativa que apresenta corretamente o valor de ω para o qual o módulo da impedância do circuito é mínimo.