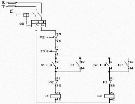
A figura apresentada abaixo mostra o diagrama de comando de uma chave reversora. Se energizarmos a bobina do contator (K1), o motor girará no sentido horário e, se energizarmos a bobina do contator (K2), o motor girará no sentido anti-horário.

Analisando o diagrama, observa-se que o contato de intertravamento elétrico que impede o acionamento do contator (K2), estando o contator (K1) energizado, é: