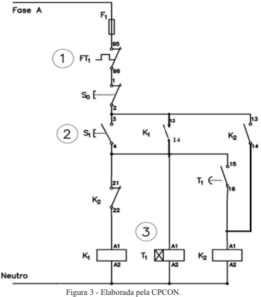
O diagrama apresentado na Figura 3 representa o circuito de comando para o acionamento elétrico de um motor trifásico de uma
máquina utilizada na irrigação do plantio de hortaliças de uma cooperativa rural.
Assinale a alternativa que indica CORRETAMENTE a análise do diagrama de comando, em conformidade com o seu adequado circuito de potência.

Assinale a alternativa que indica CORRETAMENTE a análise do diagrama de comando, em conformidade com o seu adequado circuito de potência.
