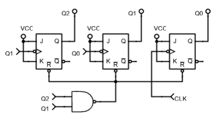
Analise o circuito abaixo:
Figura 16

Fonte: O autor
É correto afirmar que o circuito sequencial acima
Provas
Questão presente nas seguintes provas
Analise o circuito abaixo:
Figura 16

Fonte: O autor
É correto afirmar que o circuito sequencial acima