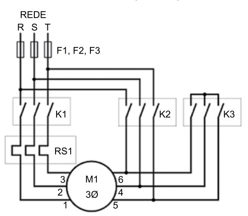
Considere o diagrama de força do acionamento semiautomático de um motor de indução trifásico, no qual a tensão de linha (entre fases) da rede de alimentação trifásica é de 380 V, mostrado na figura a seguir:

Para ser aplicado a esse acionamento, o motor de indução deve ter as seguintes tensões de operação: