Observe o circuito resistivo a seguir.

As correntes que atravessam os resistores
Sabendo que R2 = 10R1 e R2 = R3, determine a corrente elétrica I4 que atravessa o resistor R4.
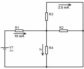
Observe o circuito resistivo a seguir.

As correntes que atravessam os resistores
Sabendo que R2 = 10R1 e R2 = R3, determine a corrente elétrica I4 que atravessa o resistor R4.