Magna Concursos
3650844 Ano: 2021
Disciplina: Engenharia de Automação
Banca: Consulplan
Orgão: HEMOBRÁS

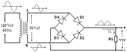
Observe a imagem a seguir:

Enunciado 4347826-1

A tensão média na carga RL, supondo diodos de silício é de, aproximadamente:

 

Provas

Questão presente nas seguintes provas

Técnico - Automação Industrial

45 Questões