Magna Concursos
4023797 Ano: 2026
Disciplina: Engenharia de Automação
Banca: FGV
Orgão: AMAZUL
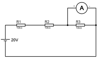
Ao realizar uma medida de corrente em um circuito de corrente contínua, um técnico conectou de maneira equivocada um amperímetro DC em paralelo com o resistor R3, conforme mostra a figura a seguir:
Enunciado 4506191-1
Sabendo que R1, R2 e R3 são resistores de 10 kΩ e considerando o princípio de funcionamento de um amperímetro ideal, a leitura de corrente mostrada no instrumento será de
 

Provas

Questão presente nas seguintes provas

Técnico de Instrumentação

60 Questões