Um voltímetro digital (VM) foi utilizado para realizar a medida de tensão DC em um resistor, conforme ilustra o esquema da figura.

Analise o circuito e determine a resistência do resistor R5.
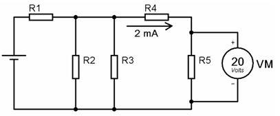
Um voltímetro digital (VM) foi utilizado para realizar a medida de tensão DC em um resistor, conforme ilustra o esquema da figura.

Analise o circuito e determine a resistência do resistor R5.