Observe o diagrama da figura a seguir. Com base no diagrama, responda à questão
Assinale a alternativa verdadeira.
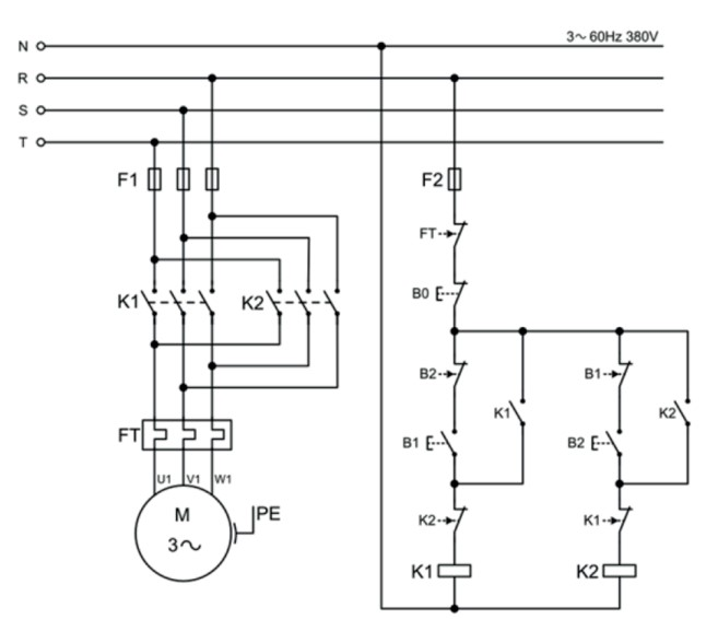
Os contatos auxiliares NF das contatoras K1 e K2 exercem a função selo. Em outras palavras, após o acionamento de uma das botoeiras B1 ou B2, estes contatos auxiliares permitem que as respectivas contatoras permaneçam energizadas.
O contato auxiliar NA da contatora K1 tem a mesma função que o contato auxiliar NF da contatora K2, ou seja, realizar o intertravamento entre as contatoras K1 e K2.
O contato auxiliar NF da contatora K1 tem a mesma função que o contato auxiliar NA da contatora K2, ou seja, realizar o intertravamento entre as contatoras K1 e K2.
Os contatos auxiliares NA das contatoras K1 e K2 possuem a função selo. Em outras palavras, após o acionamento de uma das botoeiras de partida B1 ou B2, estes contatos auxiliares permitem que as respectivas contatoras permaneçam energizadas.
Olá, para continuar, precisamos criar uma conta! É rápido e grátis.