Magna Concursos
3735873 Ano: 2025
Disciplina: Eletroeletrônica
Banca: UFMG
Orgão: UFMG

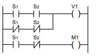
Um técnico foi chamado para programar um sistema automatizado de envase de garrafas controlado por um CLP. O sistema é composto por:

• Um sensor de garrafa (S1) que indica com estado lógico 1, quando uma garrafa está na posição para enchimento e estado lógico 0, caso contrário;

• Um sensor de nível máximo de líquido (S2) que indica com estado lógico 1 se a garrafa está cheia e estado lógico 0, caso contrário;

• Um atuador que abre a válvula de enchimento (V1), sendo o estado lógico 1 equivalente à válvula aberta e vertendo líquido e estado lógico 0, caso contrário;

• Um motor (M1) que movimenta a esteira de transporte das garrafas até o ponto de enchimento e para além dele, com o estado lógico 1, indicando que o motor deve movimentar a esteira e o estado 0 deve parar.

Considerando que em combinações improváveis de S1 e S2, o motor deve parar e a válvula fechar e que estado inicial seja S1 = 0 e S2 = 0, assinale a alternativa que representa a lógica de comando que aciona corretamente esse sistema.

 

Provas

Questão presente nas seguintes provas