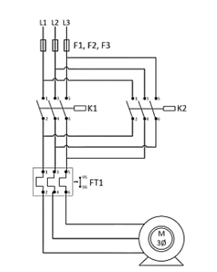
O diagrama funcional de comando de um motor de indução trifásico é apresentado a seguir.

Analisando o diagrama, é possível inferir que os contatores possibilitam
Provas
Questão presente nas seguintes provas
O diagrama funcional de comando de um motor de indução trifásico é apresentado a seguir.

Analisando o diagrama, é possível inferir que os contatores possibilitam