Foram encontradas 345 questões.
O Sistema Interligado Nacional (SIN) é o conjunto de instrumentos e instalações interligados eletricamente para proporcionar o abastecimento de energia do país. O aparelho de produção e transmissão de energia elétrica do Brasil é um sistema de grande porte, preponderantemente composto por usinas hidrelétricas e com múltiplos proprietários. O Sistema Interligado Nacional é formado por quatro subsistemas: Sul, Sudeste/Centro-Oeste, Nordeste e a maior parte da região Norte. Assinale a alternativa que representa estado pertencente ao subsistema Norte do SIN:
Provas
No Brasil, empreendimentos de fontes de energia renováveis, tais como de usinas eólicas, solares podem ser classificadas como fontes de energia incentivada e gozam de alguns benefícios concedidos pela legislação. Este tipo de empreendimento pode atuar dentro do Ambiente de Contratação Livre (ACL) do mercado de energia e, desta forma, celebrar contratos de comercialização com entidades tais como entidades outras geradoras, comercializadores, consumidores livres e especiais. Com isso tem-se a possibilidade de negociar seus volumes de energia com maior flexibilidade, podendo oferecer contratos personalizados, preços e condições mais atrativas e direcionar sua produção para consumidores específicos interessados em energia renovável e sustentável. Como consequência destas transações de compra e venda de energia, as entidades participantes devem prestar contas das liquidações financeiras decorrentes das transações deste mercado de energia, através da entidade identificada como
Provas
Considere a implementação de um sistema trifásico equilibrado abaixador de tensão formado por um banco de 3 transformadores Ta, Tb e Tc idênticos, ligados através da conexão \( \Delta - \Delta \), com Tap central, Ma, Mb e Mc disponíveis de forma que sua relação de transformação a resulta na relação de tensões \( { \large V \over v + v} \). Contudo o referido banco é acometido por um problema no transformador Tc, resultando na saída de operação do equipamento. Para a continuação da operação do sistema, tem-se a modificação no arranjo através da utilização do Tap central conforme ilustra a figura a seguir:

A respeito da transição do sistema, para sua operação durante a falta, pode-se afirmar que a/o
Provas
Considere o seguinte arranjo formado por dois transformadores. O primeiro possui uma relação de transformação de N1 = 1:n e Tap central M que divide o enrolamento de entrada pela metade de forma que \( V_{RM} = V_{SM} = { \large V_{RS} \over 2} \) . Já o segundo Trafo possui relação de transformação \( N2 = 1: { \large 2n \over \sqrt 3} \). Sabendo que os transformadores são alimentados por um sistema elétrico trifásico equilibrado de forma que \( V_{RS} = V/0º; V_{ST} = V/120º \ e \ V_{TR} = V/240º \) para n = 1 e as marcações de polaridade indicadas conforme a imagem a seguir:

Admite-se que o valor de VAB e VCB, em Volts, podem ser expressos por
Provas
A respeito da fundamentação de instrumentos de medidas elétricas, pode-se definir o conceito de Exatidão por
Provas
As medições de grandezas elétricas devem atender critérios bem definidos de segurança, minimizando os riscos de acidentes. Entre esses critérios está a observância da Categoria de Instalação de Sobretensão (CAT), o qual consta na norma para segurança em trabalhos em eletricidade, a ABNT NBR 16384:20201, recomenda que os instrumentos utilizados em medições sejam adequados à norma internacional IEC61010-12, e que indica que os instrumentos de medição elétrica devem atender às categorias de utilização. A fim de se realizar os ensaios a vazio e de rotor bloqueado adequados para o levantamento dos parâmetros de máquinas de indução trifásica, os instrumentos utilizados devem possuir, como Categoria de Instalação de Sobretensão (CAT), a classificação de
Provas
Considere, para a questão, o modelo equivalente por fase de um motor trifásico com seus parâmetros referenciados para o lado do estator ilustrado através do circuito equivalente a seguir:

Ainda considerando o contexto da máquina de indução e seu modelo por fase associado ao circuito ilustrado na figura, ao realizar o Ensaio com Rotor Bloqueado em máquinas de grandes potências ou mesmo em máquinas de dupla gaiola, pode surgir dificuldades na obtenção dos parâmetros da máquina por meio do uso de certas condições nominais de operação. Desta forma, diversas normas técnicas, tais como IEEE112 e a NBR-17094-3, sugerem algumas modificações no Ensaio de Rotor Bloqueado, para se obter uma estimação mais apurada destes parâmetros do circuito equivalente. Podemos citar, como modificações no ensaio de rotor bloqueado, a
Provas
Considere, para a questão, o modelo equivalente por fase de um motor trifásico com seus parâmetros referenciados para o lado do estator ilustrado através do circuito equivalente a seguir:

Ainda considerando o circuito equivalente por fase de uma máquina de indução de rotor bobinado, considere o seguinte ensaio:
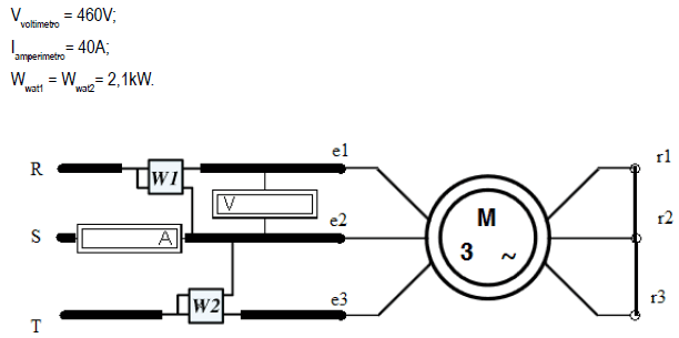
Um referido motor é submetido a sua tensão nominal de alimentação com nenhuma carga mecânica acoplada ao seu eixo, permitindo assim que a máquina alcance uma velocidade de tal forma que seu escorregamento pode ser negligenciado e tende a zero. Durante o referido ensaio, utilizou-se um sistema trifásico equilibrado constituído pelas fases R, S e T para alimentação da máquina, um voltímetro, um amperímetro e dois wattímetros de maneira a aferir valores de tensão corrente e potência conforme, ilustra a figura a seguir, com as seguintes medidas:

Para uma máquina com resistência do estator dada por R1 = 0,07\( \Omega \), o referido ensaio fornece a aproximação mais adequada para os seguintes parâmetros do modelo equivalente por fase
Provas
Considere, para a questão, o modelo equivalente por fase de um motor trifásico com seus parâmetros referenciados para o lado do estator ilustrado através do circuito equivalente a seguir:

Uma vez que o modelo equivalente por fase do motor de indução, expressa a resistência do estator, por R1 no circuito equivalente da figura anterior, pode apresentar valores muito pequenos, dependendo da máquina a realização de medições de resistência direto, através dos terminais do estator com o uso de multímetros comuns, pode acarretar erros significativos. Desta forma uma alternativa comum trata-se da aplicação de uma fonte de tensão contínua no estator, para se obter a resistência através da relação entre tensão e corrente conforme ilustrado pela figura a seguir:

Considere um ensaio com fonte de tensão contínua de um motor de indução com rotor bobinado, onde seu estator encontra-se ligado em delta. Quando aplicado uma tensão contínua Vcc = 1V tem-se uma corrente contínua de Icc = 16A, registrado pelos instrumentos V e A da figura anterior. Desprezando-se a resistência que modela as perdas no ferro, pode-se melhor aproximar o valor da resistência R1 do circuito equivalente da máquina e indução por
Provas
Considere o seguinte circuito em corrente alternada composto por uma fonte de tensão, uma resistência R=100 \( \Omega \) e uma indutância de XL=+j50 \( \Omega \) descrito pela figura a seguir:

Para a máxima transferência de potência no circuito, a carga representada pela impedância ZC deve apresentar uma impedância de
Provas
Caderno Container