Foram encontradas 50 questões.
São nomes de navegadores na Internet
Provas
Questão presente nas seguintes provas
O Cortana, assistente virtual da Microsoft que permite que o usuário faça consultas e pedidos por
meio de interação por voz ou texto, está disponível, em português, no
Provas
Questão presente nas seguintes provas
São dispositivos de entrada
Provas
Questão presente nas seguintes provas
Após intensa crise social e política, o governo da Venezuela anunciou no mês de abril seu processo
de retirada da
Provas
Questão presente nas seguintes provas
O Observatório do Clima divulgou, recentemente, a segunda coleção de mapas do Projeto de
Mapeamento Anual da Cobertura e Uso do Solo no Brasil, na qual é possível observar que, entre 2001
e 2015, devido à expansão urbana, foram destruídos
Provas
Questão presente nas seguintes provas
Um sistema de entrada única e saída única é representado em espaço de estado pela equação

A função de transferência G(s) do sistema é:
Provas
Questão presente nas seguintes provas
No circuito representado na figura a seguir, a corrente de coletor IC é de 0,99 IE mA e a tensão da junção base-emissor é de 0,7 volts. A tensão de coletor (VC) e a corrente de emissor (IE) são, respectivamente, iguais a

Provas
Questão presente nas seguintes provas
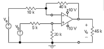
No circuito da figura abaixo o amplificador operacional é ideal. Supondo que a tensão vb seja igual a 6 V, o intervalo no qual deve ser mantida a tensão va para que o amplificador operacional não entre na região de saturação é

Provas
Questão presente nas seguintes provas
Um transistor de junção bipolar do tipo pnp opera na região ativa se
Provas
Questão presente nas seguintes provas
Os diversos tipos de sinais binários de banda básica são codificados de maneira a se adaptar
melhor ao canal de transmissão, buscando alcançar pelo menos uma das seguintes metas: compressão
de largura de banda, eliminação da componente dc, recuperação do relógio a partir do sinal transmitido
e detecção de erros. Dentre os códigos abaixo, destinados a satisfazer algumas destas metas, sobre o
assunto é correto afirmar que
Provas
Questão presente nas seguintes provas
Cadernos
Caderno Container