Magna Concursos

Foram encontradas 90 questões.

2377688 Ano: 2008
Disciplina: Física
Banca: Marinha
Orgão: Escola Naval
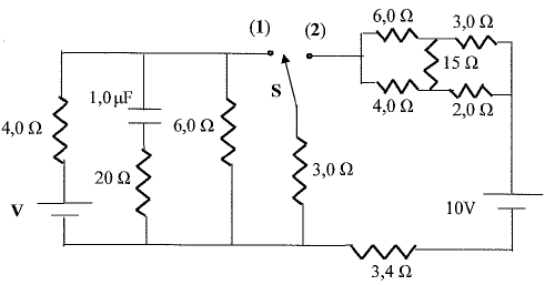
No circuito elétrico abaixo, considere a resistência elétrica de cada fonte (gerador) desprezivel e o capacitor completamente carregado.
Enunciado 2804573-1
Para que a potência elétrica total dissipada no circuito, com a chave S na posição (1), seja igual à potência elétrica total dissipada no circuito, com a chave S na posição (2), a voltagem V, em volt, entre as placas do gerador, deve ser, aproximadamente, igual a
 

Provas

Questão presente nas seguintes provas
2377646 Ano: 2008
Disciplina: Inglês (Língua Inglesa)
Banca: Marinha
Orgão: Escola Naval
Analyse the sentences below. Which is the correct sentence?
 

Provas

Questão presente nas seguintes provas
2377639 Ano: 2008
Disciplina: Inglês (Língua Inglesa)
Banca: Marinha
Orgão: Escola Naval
Observe the sign below. Who can use the seats?
Enunciado 2798707-1
 

Provas

Questão presente nas seguintes provas
2377507 Ano: 2008
Disciplina: Física
Banca: Marinha
Orgão: Escola Naval
Enunciado 2787480-1
Um bloco de massa igual a 2,00 kg é sol to de uma altura H = 3,00 m em relação a uma mola ideal de constante elástica igual a 40,0 N/mo Considere a força de atrito cinético entre as superficies em contato constante e de módulo igual 5,00 N o Desprezando a força de atrito estático quando em repouso, isto é, desprezando as perdas de energia nas várias situações de repouso, a distância total percorrida pelo bloco até parar, em metros, é
 

Provas

Questão presente nas seguintes provas
2377506 Ano: 2008
Disciplina: Português
Banca: Marinha
Orgão: Escola Naval
Cultura clonada e mestiçagem
Eduardo Portela
Levantar hoje a questão da cultura é colocar-se em uma encruzilhada para a qual convergem, embora também se oponham, o avanço da globalização e a persistência das identidades nacionais. Mas a cultura não pode mais, presentemente, construir-se sem uma tensão constitutiva, existencial e vital(A) entre o universal, o regional, o nacional e o comunitário.
Apesar de as culturas se manterem arraigadas em seus contextos nacionais, torna-se cada vez mais dificil(B) acreditar que os conceitos tradicionais de identidade, povo ou nação sejam "intocáveis". De fato, jamais nossas sociedades conheceram ruptura tão generalizada com
tradições centenárias. Devemos, porém, indagar se as evoluções contemporâneas, em geral apresentadas como possíveis ameaças a essas tradições, inclusive a do Estado nação, não constituiriam terrenos férteis para a cultura, ou seja, favoráveis à coexistência das diversidades. Um duplo obstáculo seria então evitado: a coesão domesticada e a uniformização artificial.
o primeiro obstáculo advém da fundamentação do modelo hegemônico(C) de identificação em uma cultura única, total, dominante, integrativa. Esta era percebida como algo estático e definitivo. Era brandida como uma arma, cujos efeitos só hoje avaliamos: neste século, vimos as culturas mais sofisticadas curvarem-se à barbárie; levamos muito tempo até perceber que o racismo prospera quando faz da cultura algo absoluto. Conceber a cultura como um modo de exclusão conduz inevitavelmente à exclusão da cultura. Por isso, o tema da identidade cultural, que nos acompanha desde as primeiras globalizações, é coisa do passado.
Mas a cultura não deve emancipar-se da identidade nacional deixando-se dominar pela globalização e pela privatização. As identidades pós- nacionais que estão surgindo ainda não demonstraram sua capacidade de resistir à desigualdade, à injustiça, à exclusão e à violência. Subordinar a cultura a critérios elaborados nos laboratórios da ideologia dominante, que fazem a apologia das especulações na bolsa, dos avatares da oferta e da demanda, das armadilhas da funcionalidade e da urgência, equivale a privá-la de seu indispensável oxigênio social, a substituir a tensão criativa pelo estresse do mercado.
Neste sentido, dois grandes perigos nos ameaçam. O primeiro é a tendência atual a considerar a cultura um produto supérfluo, quando, na realidade, ela poderia representar para as sociedades da informação o que o conhecimento científico representou para as sociedades industriais. Frequentemente se esquece que reparar a fratura social exige que se pague a fatura cultural: o investimento cultural é também um investimento social.(D)
O segundo perigo é o "integrismo eletrônico". Das fábricas e dos supermercados culturais emana uma cultura(E) na qual o tecnológico tem tanta primazia que se pode considerá-la desumanizada.
Mas como "tecnologizar" a cultura reduzindo-a a um conjunto de clones culturais e pretender que ela continue a ser cultura? A cultura clonada é um produto abortado, porque, ao deixar de estabelecer vínculos, deixa de ser cultura. O vínculo é seu signo característico, sua senha de identidade. E esse vínculo é mestiçagem - portanto o oposto da clonagem. A clonagem é cópia; e a mestiçagem, ao contrário, cria um ser diferente, embora também conserve a identidade de suas origens. Em todas as partes onde se produziu, a mestiçagem manteve as filiaçôes e forjou uma nova solidariedade que pode servir de antídoto à exclusão.
Parafraseando Malraux, eu diria que o terceiro milênio será mestiço, ou não será.
(Texto apresentado na série Conferências do
Século XXI, realizada em 1999, e publicado em O Correio da Unesco, jun., 2000)
Em cada alternativa abaixo apresenta-se, entre parênteses, um comentário sobre a pontuação de algum segmento do texto. Em que alternativa o comentário é INADEQUADO ao respectivo exemplo?
 

Provas

Questão presente nas seguintes provas
2377491 Ano: 2008
Disciplina: Matemática
Banca: Marinha
Orgão: Escola Naval
A equação da parábola cujo vértice é o ponto P(2,3) e que passa pelo centro da curva definida por !$ x^2 + y^2 - 2 x - 8 y + 16 = 0 !$ é
 

Provas

Questão presente nas seguintes provas
2377449 Ano: 2008
Disciplina: Física
Banca: Marinha
Orgão: Escola Naval
Urna espira retangular, de lados 10,0 em e 20,0 em, possui 40 voltas de fio condutor, estreitamente espaçados, e resistência elétrica de 5,00 Q. O vetor normal à área limitada pela espira forma um ângulo de 60° com as linhas de um campo magnético uniforme de módulo igual a 0,800 tesla. A partir do instante !$ t_o = 0 !$, o módulo deste campo é reduzido uniformemente a zero e, em seguida, é aumentado uniformemente, porém em sentido oposto ao inicial, até atingir o módulo de 1,20 teslas, no instante !$ t = 4,00 s !$. A intensidade média da corrente elétrica induzida na espira, neste intervalo de tempo, em miliamperes, é
 

Provas

Questão presente nas seguintes provas
2377432 Ano: 2008
Disciplina: Inglês (Língua Inglesa)
Banca: Marinha
Orgão: Escola Naval
Which of the alternatives below completes the sentence correctly?
He's been working on this project (1)
 

Provas

Questão presente nas seguintes provas
2377427 Ano: 2008
Disciplina: Português
Banca: Marinha
Orgão: Escola Naval
Cultura clonada e mestiçagem
Eduardo Portela
Levantar hoje a questão da cultura é colocar-se em uma encruzilhada para a qual convergem, embora também se oponham, o avanço da globalização e a persistência das identidades nacionais. Mas a cultura não pode mais, presentemente, construir-se sem uma tensão constitutiva, existencial e vital entre o universal, o regional, o nacional e o comunitário.
Apesar de(D) as culturas se manterem arraigadas em seus contextos nacionais, torna-se cada vez mais dificil acreditar que os conceitos tradicionais de identidade, povo ou nação sejam "intocáveis". De fato, jamais nossas sociedades conheceram ruptura tão generalizada com
tradições centenárias. Devemos, porém, indagar se as evoluções contemporâneas, em geral apresentadas como possíveis ameaças a essas tradições, inclusive a do Estado nação, não constituiriam terrenos férteis para a cultura, ou seja, favoráveis à coexistência das diversidades. Um duplo obstáculo seria então evitado: a coesão domesticada e a uniformização artificial.
O primeiro obstáculo advém da fundamentação do modelo hegemônico de identificação em uma cultura única, total, dominante, integrativa. Esta era percebida como algo estático e definitivo. Era brandida como uma arma, cujos efeitos só hoje avaliamos:(B) neste século, vimos as culturas mais sofisticadas curvarem-se à barbárie; levamos muito tempo até perceber que o racismo prospera quando faz da cultura algo absoluto. Conceber a cultura como um modo de exclusão conduz inevitavelmente à exclusão da cultura. Por isso, o tema da identidade cultural, que nos acompanha desde as primeiras globalizações, é coisa do passado.
Mas a cultura não deve emancipar-se da identidade nacional deixando-se dominar pela globalização e pela privatização. As identidades pós- nacionais que estão surgindo ainda não demonstraram sua capacidade de resistir à desigualdade, à injustiça, à exclusão e à violência. Subordinar a cultura a critérios elaborados nos laboratórios da ideologia dominante, que fazem a apologia das especulações na bolsa, dos avatares da oferta e da demanda, das armadilhas da funcionalidade e da urgência, equivale a privá-la(A) de seu indispensável oxigênio social, a substituir a tensão criativa pelo estresse do mercado.
Neste sentido, dois grandes perigos nos ameaçam. O primeiro é a tendência atual a considerar a cultura um produto supérfluo, quando, na realidade, ela poderia representar para as sociedades da informação o que o conhecimento científico representou para as sociedades industriais. Frequentemente se esquece que reparar a fratura social exige que se pague a fatura cultural: o investimento cultural é também um investimento social.
O segundo perigo é o "integrismo eletrônico". Das fábricas e dos supermercados culturais emana uma cultura na qual o tecnológico tem tanta primazia que se pode considerá-la desumanizada.
Mas como "tecnologizar" a cultura reduzindo-a a um conjunto de clones culturais e pretender que ela continue a ser cultura? A cultura clonada é um produto abortado, porque, ao deixar de estabelecer vínculos, deixa de ser cultura. O vínculo é seu signo característico, sua senha de identidade. E esse vínculo é mestiçagem - portanto o oposto da clonagem. A clonagem é cópia; e a mestiçagem, ao contrário, cria um ser diferente, embora também conserve a identidade de suas(C) origens(E). Em todas as partes onde se produziu, a mestiçagem manteve as filiaçôes e forjou uma nova solidariedade que pode servir de antídoto à exclusão.
Parafraseando Malraux, eu diria que o terceiro milênio será mestiço, ou não será.
(Texto apresentado na série Conferências do
Século XXI, realizada em 1999, e publicado em O Correio da Unesco, jun., 2000)
Assinale a opção correta quanto ao emprego dos recursos de coesão textual.
 

Provas

Questão presente nas seguintes provas
2377301 Ano: 2008
Disciplina: Matemática
Banca: Marinha
Orgão: Escola Naval
Os 36 melhores alunos do Colégio Naval submeteram-se a uma prova de 3 questões para estabelecer a antiguidade militar. Sabendo que dentre estes alunos, 5 só acertaram a primeira questão, 6 só acertaram a segunda, 7 só acertaram a terceira, 9 acertaram a primeira e a segunda, 10 acertaram a primeira e a terceira, 7 acertaram a segunda e a terceira e, 4 erraram todas as questões, podemos afirmar que o número de alunos que não acertaram todas as 3 questões é igual a
 

Provas

Questão presente nas seguintes provas