Foram encontradas 950 questões.

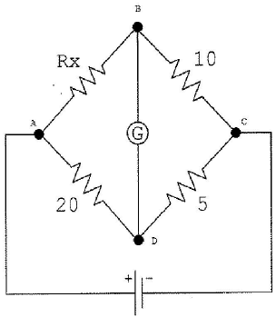
A ponte de Wheatstone é um circuito usado na determinação da resistência de um resistor desconhecido. Se no circuito acima a corrente no galvanômetro G é nula, qual é o valor de Rx em Ohms?
Provas

Qual É a potência fornecida em Watts pela bateria apresentada acima.
Provas
Um transformador recebe em seu primário uma tensão de 120V, por onde circula uma corrente de 5A. Seu secundário fornece 40V e uma corrente de 13A. Qual a eficiência deste trafo?
Provas
A fabricação dos equipamentos eletromédicos têm que atender às exigências estabelecidas na norma internacional
Provas
Uma onda portadora de 100V pico-a-pico e frequência de1 MHz é modulada (AM) com uma informação cossenoidal de 50Vpp e 1Khz.
Qual é a potência média, em W, do sinal modulado para uma antena de 1 Ohms?
Provas
Em função do valor do índice de modulação, \( \beta \)(rd), a modulação FM pode ser classificada como de faixa estreita ou de faixa larga. Para que uma modulação seja classificada como faixa estreita o valor de \( \beta \) deve ser maior ou igual a
Provas
As válvulas TWT são capazes de ganhos de 40 dB ou mais, com larguras de banda de mais de uma oitava. Essas váivulas foram projetadas para a seguinte faixa de frequências:
Provas

Dado o espectro acima, determine a expressão de eo(t), onde t representa a variável tempo e €o uma tensão e assinale a opção correta.
Provas

Estime os valores de VB e VCE; respectivamente no circuito acima e assinale a opção correta, Sabendo-se que o transistor possui VBE = 0,6V e \( \beta \)=20.
Provas
Qual é o valor da resistência de irradiação, em Ohms, num dipolo dobrado que apresenta quatro dobras?
Provas
Caderno Container