Foram encontradas 710 questões.
Um transformador monofásico de 1,1 kVA, 440/110 V, 60 Hz tem impedância equivalente série referida ao primário igual a Z1=1,5+j2,5 ohms.
Determine, para valores de base iguais aos nominais do transformador, a impedância equivalente em percentual (%) refletida para o secundário.
Provas
Questão presente nas seguintes provas
Uma máquina de indução trifásica alimentada em 380 V, 60 Hz, tem seu rotor acoplado mecanicamente ao rotor de um motor síncrono trifásico alimentado também em 380 V, 60 Hz. A máquina de indução tem 10 pares de polos e a síncrona tem 12 pares de polos. O campo girante no entreferro da máquina de indução trifásica gira no sentido horário. Para o motor síncrono girando no sentido horário, a frequência das correntes do rotor da máquina de indução será:
Provas
Questão presente nas seguintes provas
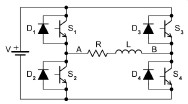
A figura abaixo mostra um conversor cc - cc alimentando uma carga RL, estando S1 em operação complementar com S2 e S3 em operação complementar com S4. Considere que as quatro chaves controladas (S1, S2 S3 e S4) operam em alta frequência e que VAB>0 e IAB>0 (corrente na carga fluindo de A para B). Um comando é enviado ao conversor, e todas as chaves controladas são bloqueadas (S1, S2, S3 e S4 comportam-se como circuito aberto). Para a condição de todas as chaves controladas estarem bloqueadas e havendo energia armazenada na indutância, marque a alternativa correta.

Provas
Questão presente nas seguintes provas
1884597
Ano: 2018
Disciplina: Ética e Regulação Profissional
Banca: ACEP
Orgão: Pref. Aracati-CE
Disciplina: Ética e Regulação Profissional
Banca: ACEP
Orgão: Pref. Aracati-CE
Provas:
De acordo com a Lei Federal nº. 6.546, de 04 de julho de 1978, que dispõe sobre a regulamentação da profissão de arquivista, é atribuição deste profissional:
Provas
Questão presente nas seguintes provas
Os documentos arquivísticos gerados no Município de Aracati que já cumpriram seus devidos prazos de guarda foram recolhidos ao Arquivo Público do Estado do Ceará por falta de instituição arquivística no âmbito daquele Município. A partir da implantação do Arquivo Público Municipal de Aracati, o Município reivindicou a devolução dos documentos produzidos e recebidos pelo Município. Nesta situação hipotética, o requerimento poderia ser fundamentado com base em qual princípio arquivístico?
Provas
Questão presente nas seguintes provas
Segundo a Norma Brasileira de Descrição Arquivística (NOBRADE), o "Elemento de identificação cronológica que tem por referencial um calendário." é o conceito de:
Provas
Questão presente nas seguintes provas
De acordo com o Dicionário Brasileiro de Terminologia Arquivística, o documento escrito ou impresso de um único lado é um documento:
Provas
Questão presente nas seguintes provas
Duranti (1994), no já clássico texto: "Registros documentais contemporâneos como prova de ação", apresenta cinco características dos registros documentais contemporâneos que devem ser protegidas pelo arquivista. Entre estas está a característica que atesta que: "Os registros são inerentemente verdadeiros, ou, como diz o arquivista britânico Hilary Jenkinson, “livres da suspeita de preconceito no que diz respeito aos interesses em nome dos quais os usamos hoje". Isso não quer dizer que as pessoas que intervêm em sua criação são livres de preconceitos, mas que as razões por que eles são produzidos (para desenvolver atividades) e as circunstancias de sua criação (rotinas processuais) asseguram que não são escritos 'na intenção ou para a informação da posteridade', nem com a expectativa de serem expostos ou com o receio do olhar do público". A característica à qual esse trecho se refere é:
Provas
Questão presente nas seguintes provas
Qual dos princípios arquivísticos, desde a segunda metade do século XIX, é considerado como o princípio fundamental da arquivologia, e que, por sua prática, possibilita que o fazer arquivístico se distinga mais nitidamente, tanto do bibliotecário quanto do documentalista?
Provas
Questão presente nas seguintes provas
Um repositório arquivístico digital confiável deve ser capaz de atender:
Provas
Questão presente nas seguintes provas
Cadernos
Caderno Container