Foram encontradas 370 questões.
A forma extrema ou avançada de estresse é fruto de estresse laboral crônico, que afeta os profissionais e sua relação com o trabalho. Essa síndrome leva a que a ocupação deixe de fazer sentido e inicie e cresça o desinteresse e sentimentos de realização profissional. Essa síndrome recebe a denominação de
Provas
Questão presente nas seguintes provas
Observe as afirmações a seguir sobre formação e conceituação de solos e assinale a classificação correta.
I. Permanecem no local de decomposição da rocha. Para que eles ocorram, é necessário que a velocidade de decomposição da rocha seja maior do que a velocidade de remoção do solo por agentes externos.
II. Resultantes do transporte pela água, sua textura depende da velocidade da água no momento da deposição, sendo frequente a ocorrência de camadas de granulometrias distintas, devidas às diversas épocas de deposição.
III. Formados pela ação da gravidade. Esses solos são, dentre os solos transportados, os mais heterogêneos granulometricamente, pois a gravidade transporta indiscriminadamente desde grandes blocos de rocha até as partículas mais finas de argila.
Provas
Questão presente nas seguintes provas
1084780
Ano: 2012
Disciplina: Segurança e Saúde no Trabalho (SST)
Banca: VUNESP
Orgão: Pref. São José dos Campos-SP
Disciplina: Segurança e Saúde no Trabalho (SST)
Banca: VUNESP
Orgão: Pref. São José dos Campos-SP
Segundo a NR-18, em qualquer posição da cabina do elevador, o cabo de tração deve dispor, no mínimo, de
Provas
Questão presente nas seguintes provas
Em relação aos principais conceitos utilizados na fisiologia do exercício, é correto afirmar que
Provas
Questão presente nas seguintes provas
A área que tem por objeto o estudo das propriedades gerais da informação, sua natureza, gênese, efeitos e a análise dos processos de construção, comunicação e uso é denominada
Provas
Questão presente nas seguintes provas
1080353
Ano: 2012
Disciplina: Direito Constitucional
Banca: VUNESP
Orgão: Pref. São José dos Campos-SP
Disciplina: Direito Constitucional
Banca: VUNESP
Orgão: Pref. São José dos Campos-SP
Em conformidade com o artigo 110 da Constituição Estadual, a competência em investigar as violações de direitos humanos no território do Estado, de encaminhar as denúncias a quem de direito e de propor soluções gerais a esses problemas é
Provas
Questão presente nas seguintes provas
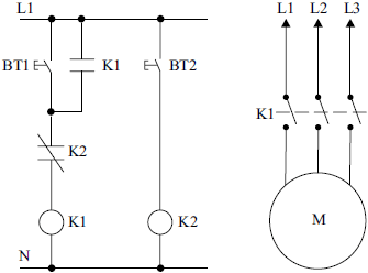
Um esquema de partida e parada para um motor de indução M é mostrado no diagrama da figura a seguir:

Com base nesse diagrama, a função dos elementos BT1, BT2, K1 e K2 é:
Provas
Questão presente nas seguintes provas
Teoria em administração significa um conjunto de conhecimentos organizados, produzidos pela experiência prática das organizações. Essas teorias compreendem dois tipos principais de conhecimentos, os descritivos e os prescritivos. Os conhecimentos prescritivos
Provas
Questão presente nas seguintes provas
O texto e a planilha a seguir, elaborada no MS-Excel 2007, devem ser utilizados para responder à questão.
Elaborou-se a planilha, apresentada a seguir, para o controle do estoque de alguns itens utilizados por uma empresa.

A Coluna B apresenta a quantidade mínima desejável para o estoque de cada item, abaixo da qual o texto REPOR é colocado na linha correspondente da Coluna E, automaticamente; caso contrário, o texto ADEQUADO é colocado.
Caso se deseje que as palavras REPOR e ADEQUADO sejam apresentadas em vermelho e azul, respectivamente, deve-se utilizar, nas células E2 a E6, a
Provas
Questão presente nas seguintes provas
Uma perspectiva de trabalho intersetorial implica mais do que justapor ou compor projetos que continuem sendo formulados e realizados setorialmente; de fato, a intersetorialidade traz um conjunto de implicações para a ação do Estado, entre as quais se destacam os desafios relacionados
I. às políticas focalizadas territorialmente, em segmentos da população;
II. aos resultados e impactos da intervenção;
III. à preservação do saber específico de uma dada disciplina (área do saber);
IV. à dicotomia presente no saber pensar e no saber fazer;
V. às contradições sociais contidas nas formulações qualificadas.
Está correto apenas o contido em
Provas
Questão presente nas seguintes provas
Cadernos
Caderno Container