Foram encontradas 24 questões.
Um eletricista, ao elaborar seu primeiro projeto, encontrou como corrente corrigida para um dos circuitos de tomadas de uso geral de 127V um valor de 13,78A. Para determinar o valor da seção do condutor que seria utilizado, o técnico utilizou a seguinte tabela na norma NBR 5410/2004 e levou em consideração o critério da seção mínima.

De acordo com a norma, as seções dos condutores fase e neutro a serem utilizadas serão
Provas
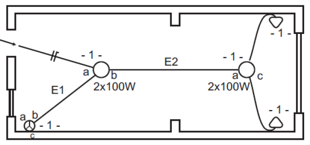
Um engenheiro projetou as instalações elétricas de uma residência com dois quartos, banheiro, sala de visita, sala de estar, cozinha e área de serviço. Parte da planta-baixa dessa residência está representada na figura a seguir.

Sobre esse projeto, são apresentadas as seguintes afirmativas:
I - O circuito de iluminação está sendo utilizado para alimentar as tomadas do cômodo, enquanto a norma não admite essa situação para cômodos adjacentes.
II - O circuito de iluminação alimenta um total de quatro lâmpadas, sendo que existe um interruptor que aciona duas delas simultaneamente.
III - O circuito de iluminação terá três condutores de retorno passando no trecho de tubulação indicado por E1.
Está CORRETO o que se afirma em:
Provas
Uma edificação está sujeita a uma temperatura ambiente de 35ºC. Os condutores elétricos escolhidos foram de cobre/PVC. Um dos circuitos terminais destina-se à alimentação do chuveiro elétrico de 3300 W / 220 V RMS, monofásico. Sabe-se que o eletroduto que transporta esse circuito está embutido em parede de alvenaria e que, dentro dele, há outros três circuitos monofásicos e todos os circuitos presentes no eletroduto utilizam cabos multipolares.
Tabela 1

A partir dessas descrições e da Tabela 1 (em acordo com NBR 5410), assinale a alternativa CORRETA.
Provas
Nas instalações elétricas industriais, normalmente as cargas se apresentam indutivas, com a corrente atrasada em relação à tensão aplicada. A potência ativa (P) é uma medida do trabalho útil por unidade de tempo que uma carga pode executar. Por sua vez, o rendimento é a razão entre a potência de saída e a potência de entrada. Num motor é a relação entre potência mecânica (dada geralmente em CV – cavalo-vapor) e potência elétrica de entrada. Quanto maior o rendimento, mais eficiente será o motor em transformar energia elétrica em energia mecânica
Considere os dois motores de indução monofásicos descritos abaixo, vistos como cargas indutivas.
Considere os dois motores ligados em paralelo a uma mesma fonte de tensão de 220V.
Motor 1: 3 CV, fator de potência igual a 0,92 (atrasado) e rendimento igual à unidade.
Motor 2: 5 CV, fator de potência igual a 0,80 (atrasado) e rendimento igual à unidade.
Com base nessas informações e considerando 1 CV = 736 W, marque a alternativa CORRETA.
Provas
Observe o croqui dos pontos da instalação elétrica de um circuito de iluminação do compartimento a seguir (situação I).

Na reforma da construção, foi criado mais um ponto de iluminação no mesmo circuito, com acionamento independente dos demais pontos, conforme indicado no croqui (situação II).

Completando o diagrama unifilar, constata-se que, após a reforma (situação II), a quantidade de condutores nos trechos I, II e III é, respectivamente,
Provas
Se o circuito abaixo for construído e colocado em operação, será verificado que o resistor fica mais quente que o indutor, apesar de ambos os componentes apresentarem a mesma queda de tensão e a corrente que passa por eles ser a mesma. Considere todos os elementos desse circuito como ideais, ou seja, não existe resistência nos condutores que ligam os elementos, a fonte pode fornecer potência ilimitada, o resistor é uma resistência pura e o indutor é um indutor puro.

A potência total desse circuito é
Provas
Uma dona de casa sempre passa as suas roupas durante a noite, pois gosta de realizar a tarefa enquanto assiste à sua novela preferida. Na casa onde ela vive, um dos circuitos existentes está ligado a uma fonte de tensão de 110 V, e o circuito é protegido por um disjuntor de 15 A, como esquematizado na figura abaixo. O ferro de passar utilizado possui potência de 550W na temperatura baixa, 1100 W na temperatura média e 2200W na temperatura alta.

Sempre que a dona de casa tenta utilizar o ferro elétrico na temperatura máxima, o disjuntor desarma porque
Provas
Uma residência possui um chuveiro elétrico alimentado com uma tensão de 220V. Esse chuveiro opera em duas posições: inverno (4400 W) e verão (2200 W).
Sabendo-se que a potência em uma carga é igual ao produto da tensão pela corrente (P=VxI), que a relação entre tensão e corrente em uma carga resistiva é igual ao próprio valor da resistência (R = V/I) e que a energia em uma carga de potência constante é dada pelo produto da potência pelo tempo (E=Pxt) e considerando que a carga desse chuveiro elétrico seja representada por uma resistência pura, pode-se afirmar que:
Provas
Analise o circuito resistivo alimentado com uma fonte de 32V da figura a seguir.
A corrente pelo resistor R4, em miliamperes, é

Provas
Analise a placa de circuito impresso contendo quatro resistores, conforme mostrado na figura.
A tensão fornecida pela fonte, em volts, é

Provas
Caderno Container