Foram encontradas 380 questões.
Disciplina: Engenharia Elétrica
Banca: SELECON
Orgão: SAAE Lucas do Rio Verde-MT
Considere o circuito da Figura 3.
Figura 3

Nesse circuito, entre os pontos a e b, havia uma fonte de tensão de 100V; entre os pontos c e d, foi ligado um ohmímetro. O valor de resistência medida pelo ohmímetro será de:
Provas
Disciplina: Engenharia Elétrica
Banca: SELECON
Orgão: SAAE Lucas do Rio Verde-MT
No esquema de aterramento representado pela sigla TT, a segunda letra T indica que:
Provas
Disciplina: Engenharia Elétrica
Banca: SELECON
Orgão: SAAE Lucas do Rio Verde-MT
O dispositivo de proteção que combina a proteção de sobrecarga e de curto-circuito bem como a capacidade de manobra de motores elétricos de indução denomina-se:
Provas
Disciplina: Engenharia Elétrica
Banca: SELECON
Orgão: SAAE Lucas do Rio Verde-MT
Um material considerado como bom condutor é aquele cujos átomos têm:
Provas
Disciplina: Segurança e Saúde no Trabalho (SST)
Banca: SELECON
Orgão: SAAE Lucas do Rio Verde-MT
Segundo a NR-06, sobre Equipamentos de Proteção Individual (EPI), cabe à organização:
Provas
Disciplina: Engenharia Elétrica
Banca: SELECON
Orgão: SAAE Lucas do Rio Verde-MT
Em circuitos com a presença de condutor neutro protegido por sobrecorrentes, este pode ter sua seção transversal inferior às dos demais condutores quando os circuitos forem:
Provas
Disciplina: Engenharia Elétrica
Banca: SELECON
Orgão: SAAE Lucas do Rio Verde-MT
m circuito composto por cinco resistores é alimentado por uma fonte de tensão ideal em corrente contínua. Dos cinco resistores, quatro têm os valores mostrados na coluna “R (Ω)” da Tabela 1 e um é desconhecido:
Tabela 1
|
R (Ω) |
i (mA) |
|
|
\( R_1 \) |
? |
100,0 |
|
\( R_2 \) |
500 |
? |
|
\( R_3 \) |
1.500 |
20,0 |
|
\( R_4 \) |
2.000 |
15,0 |
|
\( R_5 \) |
6.000 |
5,0 |
O resistor R1 encontra-se em série com a fonte e em série com o arranjo paralelo dos demais. Além disso, foram medidas as correntes circulando em quatro dos resistores, indicadas na coluna “i (mA)” da Tabela 1. Foi medida a tensão sobre o resistor R1 e encontrado o valor de 30V.
Com base nas informações, o valor da tensão da fonte ideal e da corrente desconhecida são respectivamente:
Provas
Disciplina: Engenharia Elétrica
Banca: SELECON
Orgão: SAAE Lucas do Rio Verde-MT
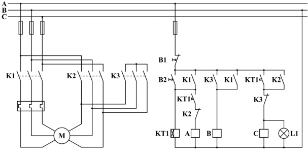
Considere o diagrama multifilar da Figura 2 de acionamento de um motor trifásico e responda às questões 30 e 31.
Figura 2

A lâmpada de sinalização S tem a função de indicar:
Provas
Disciplina: Engenharia Elétrica
Banca: SELECON
Orgão: SAAE Lucas do Rio Verde-MT
Considere o diagrama multifilar da Figura 2 de acionamento de um motor trifásico e responda às questões 30 e 31.
Figura 2

Para que esse diagrama faça o acionamento estrela-triângulo do motor M, as bobinas dos contatores A, B e C devem acionar, respectivamente, os contatos:
Provas
Disciplina: Segurança e Saúde no Trabalho (SST)
Banca: SELECON
Orgão: SAAE Lucas do Rio Verde-MT
Para que possam ser efetuados trabalhos em uma instalação elétrica, de acordo com a NR-10, tal instalação deve ser desenergizada seguindo uma determinada sequência. Após constatar que há ausência de tensão, deve-se:
Provas
Caderno Container