Foram encontradas 330 questões.
Conforme Norma Regulamentadora NR-10, as medidas de controle são o conjunto das ações estratégicas de prevenção destinadas a eliminar ou reduzir os eventos indesejáveis que têm capacidade ou potencial para causar lesões ou danos à saúde dos trabalhadores. Os estabelecimentos com carga instalada superior a 75 kW devem constituir e manter o Prontuário de Instalações Elétricas. A respeito do prontuário, avalie as assertivas e assinale a alternativa que aponta as corretas.
I. É o conjunto de procedimentos e instruções técnicas de funcionamento de cada máquina e equipamento.
II. Contém a especificação apenas dos equipamentos de proteção individual.
III. É a documentação comprobatória da qualificação, habilitação, capacitação e autorização dos trabalhadores e dos treinamentos realizados.
IV. É a documentação das inspeções e medições do sistema de proteção contra descargas atmosféricas e aterramentos elétricos.
V. É a certificação dos equipamentos e materiais elétricos em áreas classificadas.
Provas
O diagrama unifilar da figura a seguir ilustra um sistema elétrico composto por um gerador, dois transformadores, uma linha de transmissão e a carga. Considerando como bases a potência do gerador e os valores nominais de tensão de cada equipamento, qual é, aproximadamente, o módulo em pu da impedância da linha ZL?

Provas
Na figura a seguir, é representado um sistema de estrela-triângulo equilibrado de sequência positiva; a tensão da fonte é Van = 440 ∠10° V, e a impedância por fase é Zp = 6,4 ∠-38,6° Ω. Calcule a tensão de linha VL, as correntes de fase Ip e de linha IL no circuito e assinale a alternativa que apresenta a sequência correta dos valores.
Obs.: considere √3 = 1,7.

Provas
Os relés de proteção são dispositivos que monitoram as condições de um sistema elétrico e fornecem comandos de operação ou alarmes, tendo, ainda, a função de proteger equipamentos e sistemas elétricos contra condições anormais, minimizando prejuízos e interrupções de energia não desejadas. Informe se é verdadeiro (V) ou falso (F) o que se afirma a seguir e assinale a alternativa com a sequência correta.
( ) Existe apenas um tipo de relé de proteção, limitando a aplicação e o uso.
( ) O relé de proteção, após detectar uma falha, envia um comando para um dispositivo de manobra, para isolar a parte defeituosa do sistema.
( ) As funções de proteção 50 e 27 são sobrecorrente instantâneo e sobretensão, respectivamente.
( ) O objetivo da coordenação de proteção é garantir que, em caso de falha ou condição anormal, o dispositivo de proteção mais distante será atuado primeiro.
( ) Os relés trabalham em conjunto com uma variedade de dispositivos no sistema elétrico para garantir uma operação segura e eficiente.
( ) É possível conectar um relé de proteção a sistemas de supervisão e controle, por exemplo, o sistema SCADA.
Provas
Sobre os tipos de arranjos de uma subestação, analise as assertivas e assinale a alternativa que aponta as corretas.
I. Na configuração de barra simples, ocorrendo um defeito no barramento ou no disjuntor geral, é obrigatório o desligamento da subestação.
II. Na configuração de barra dupla com disjuntor e meio, têm-se o custo reduzido e baixa confiabilidade de operação se comparado ao arranjo de barra simples.
III. Na configuração de barra em anel, o controle de operação é mais complexo, garantindo maior confiabilidade.
IV. Na configuração de barra principal e transferência, uma falha na barra de transferência deve causar a abertura apenas do circuito que estiver conectado nela.
Provas
Uma subestação é um conjunto de equipamentos interligados com a finalidade de controle, alteração, proteção e comando da energia. Em um projeto de uma subestação, são encontrados diversos tipos de equipamentos. Sobre esses equipamentos, é correto afirmar que
Provas
Uma máquina CC de excitação independente, operando como motor de 35 kW e 250 V, trabalha com velocidade constante de 2.800 rpm e uma corrente de campo constante; a tensão de armadura em circuito aberto é 250 V, e a resistência de armadura é 0,05 Ω. Considere a tensão de terminal de 280 V para calcular a potência de terminal (Pt) e o conjugado eletromagnético (T). Obs.: π = 3,1.
Provas
A grande variedade de características de operação dos geradores CC pode ser obtida por meio da escolha do método de excitação dos enrolamentos de campo. Sabendo disso, assinale a alternativa que apresenta respectivamente o nome de cada método de excitação da figura a seguir.

Provas
Um transformador de pequeno porte, de 20 VA, tensão primária 120 V, tem dois enrolamentos secundários de 9 V e 6 V, com impedâncias de 0,3 Ω e 0,2 Ω, respectivamente. Calcule o que se pede nos itens I, II e III e assinale a alternativa que apresenta os resultados na sequência correta.
I. A corrente do secundário nominal quando os secundários de baixa tensão são ligados em série, com as tensões se somando.
II. A corrente circulante quando os enrolamentos são ligados em paralelo.
III. O rendimento quando os secundários de baixa tensão são ligados em série, considerando fator de potência 1 e perdas de 2 W.
Provas
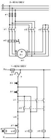
Em relação ao esquema elétrico de partida de motor apresentado, analise as assertivas e assinale a alternativa que aponta a(s) correta(s).

I. Para inverter o sentido de rotação, é necessário o uso do dispositivo de retardamento d1.
II. O contator C3 é responsável pelo fechamento em triângulo do motor.
III. Os diagramas de força e de controle são de um acionamento estrela-triângulo de motor trifásico de indução.
IV. O botão b0 ativa o acionamento do motor.
Provas
Caderno Container