Considere o seguinte diagrama de comando elétrico:

Sobre esse acionamento, bastante aplicado em comandos elétricos, assinale a alternativa INCORRETA.
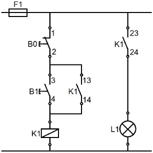
Considere o seguinte diagrama de comando elétrico:

Sobre esse acionamento, bastante aplicado em comandos elétricos, assinale a alternativa INCORRETA.