Magna Concursos

Foram encontradas 1.125 questões.

2329108 Ano: 2022
Disciplina: Engenharia de Telecomunicações
Banca: FEPESE
Orgão: CASAN-SC
Provas:

A utilização de rádiotransmissão permite o monitoramento a distância de estações de captação, estações de tratamento, estações elevatórias, reservatórios e outros pontos de interesse um sistema de saneamento.

Assinale a alternativa correta sobre a rádio transmissão aplicada ao saneamento.

 

Provas

Questão presente nas seguintes provas
2329107 Ano: 2022
Disciplina: Engenharia Elétrica
Banca: FEPESE
Orgão: CASAN-SC
Provas:

Em painéis de automação, é comum a utilização de transformadores para alterar o valor eficaz da tensão da rede de alimentação local para valores compatíveis com os exigidos pelos componentes no painel.

Assinale a alternativa correta sobre os transformadores.

 

Provas

Questão presente nas seguintes provas
2329106 Ano: 2022
Disciplina: Engenharia Elétrica
Banca: FEPESE
Orgão: CASAN-SC
Provas:

Os extensômetros resistivos são sensores empregados em uma série de aplicações que envolvem medições de pressão, força e outras grandezas.

Eles estão associados com um circuito comum na instrumentação, a ponte de Wheatstone, como na figura a seguir:

Enunciado 3492714-1

Considerando que a ponte de Wheatstone se encontra em equilíbrio e o potenciômetro encontra-se ajustado em 270 Ω, assinale a alternativa que indica corretamente a resistência elétrica atual do extensômetro.

 

Provas

Questão presente nas seguintes provas
2329105 Ano: 2022
Disciplina: Engenharia Eletrônica
Banca: FEPESE
Orgão: CASAN-SC
Provas:

Um painel de automação é responsável pelo acionamento de um motor trifásico instalado em uma bomba de uma estação elevatória de esgoto. No entanto, há uma falha que impede o funcionamento de forma contínua. Para identificar essa falha, um técnico em automação faz um diagnóstico dos componentes presentes no painel.

Com base no comportamento esperado dos componentes de proteção e comando, assinale a alternativa que apresenta uma hipótese corretamente formulada pelo técnico.

 

Provas

Questão presente nas seguintes provas
2329104 Ano: 2022
Disciplina: Engenharia Eletrônica
Banca: FEPESE
Orgão: CASAN-SC
Provas:

Um dispositivo utilizado em sistemas de saneamento para medição de vazão em canal aberto é a calha Parshall. A medição é realizada pela leitura do nível do líquido em uma escala graduada na parede da calha. No entanto, pode-se optar pela automação desta medição.

Assinale a alternativa que indica corretamente um sensor de nível capaz de realizar a medição sem contato direto com o líquido na calha Parshall.

 

Provas

Questão presente nas seguintes provas
2329103 Ano: 2022
Disciplina: Engenharia Eletrônica
Banca: FEPESE
Orgão: CASAN-SC
Provas:

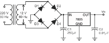
A figura a seguir exibe uma fonte de tensão que pode ser utilizada em painéis de automação para alimentação de circuitos lógicos e de baixa tensão.

Enunciado 3492711-1

Assinale a alternativa correta sobre a fonte de alimentação em questão.

 

Provas

Questão presente nas seguintes provas
2329102 Ano: 2022
Disciplina: Engenharia Elétrica
Banca: FEPESE
Orgão: CASAN-SC
Provas:

Falhas em equipamentos elétricos frequentemente são ocasionadas por conexões realizadas de forma inadequada.

Assinale a alternativa correta sobre as conexões elétricas em instalações de baixa tensão.

 

Provas

Questão presente nas seguintes provas
2329101 Ano: 2022
Disciplina: Engenharia Elétrica
Banca: FEPESE
Orgão: CASAN-SC
Provas:

A segurança de um equipamento ou instalação está diretamente relacionada com o projeto e montagem adequada de isolamentos elétricos.

Para averiguar a resistência de isolamento em um painel de automação, transformador ou motor elétrico, um técnico em automação deve fazer uso preferencialmente de um:

 

Provas

Questão presente nas seguintes provas
2329100 Ano: 2022
Disciplina: Engenharia Elétrica
Banca: FEPESE
Orgão: CASAN-SC
Provas:

A partida de motores empregando a técnica estrela-triângulo exige correto acionamento dos elementos que compõem o circuito.

A figura a seguir exibe em exemplo de circuito de potência utilizado nesta técnica.

Enunciado 3492708-1

Assinale a alternativa correta com base no diagrama apresentado e nas características da técnica de partida estrela- triângulo.

 

Provas

Questão presente nas seguintes provas
2329099 Ano: 2022
Disciplina: Engenharia Elétrica
Banca: FEPESE
Orgão: CASAN-SC
Provas:

No diagrama elétrico a seguir são exibidos os circuitos de potência e de comando de um motor elétrico trifásico.

Enunciado 3492707-1

Assinale a alternativa correta em relação ao funcionamento desse circuito.

 

Provas

Questão presente nas seguintes provas