Foram encontradas 840 questões.
Para um conjunto motor de indução trifásico e guincho com tensão de 380 V e corrente de 35A determine a potência necessária nesse motor para elevar um peso P de 2500 kgf com velocidade de 0,5 m/s, sabendo-se que o rendimento do sistema de transmissão é de 80%.
Considere 1 kgf = a 10 N.
Provas
Observe as curvas demonstradas na figura a seguir.

Sobre os motores de indução trifásicos com rotor em gaiola NBR 7094 em relação as categorias D, H e N, é correto afirmar que
Provas
Informe (V) para as afirmações verdadeiras e (F) para as falsas, considerando-se as características das cargas elétricas.
( ) As cargas são bipolares, isto é, existem cargas positivas e negativas.
( ) Existe uma quantidade mínima de carga elétrica; em outras palavras, todas as cargas são múltiplos inteiros da carga do elétron, 1,6022 X 10-19C.
( ) Os efeitos elétricos podem ser atribuídos à separação de cargas e ao seu movimento.
( ) Na teoria dos circuitos, a separação das cargas dá origem a uma tensão elétrica e o movimento das cargas origina uma corrente elétrica.
A sequência correta é
Provas
Observe a figura a seguir.

A função de transferência que melhor define o circuito mostrado na figura é:
Provas
Considere 5 esferas metálicas idênticas. As esferas R, S, T, X estão neutras enquanto a esfera P está eletrizada com carga Q. Se a esfera P, logo após o instante inicial, for colocada em contato sucessivo com as esferas R, S, T e X a carga residual em P é denominada !$ \Beta !$. Se a esfera P, eletrizada novamente com carga Q logo após o instante inicial, for colocada em contato simultâneo com as esferas R, S, T e X a carga residual em P é denominada !$ \Omega !$.
A relação entre !$ \Omega !$/!$ \Beta !$ é, aproximadamente,
Provas
Um equipamento eletrônico consome 12W, opera durante 10 horas por dia, durante 30 dias. O custo cobrado do KWh pela concessionária local é de R$1,20.
Ao final do período de 30 dias qual será o valor gasto, em reais, por esse equipamento?
Provas
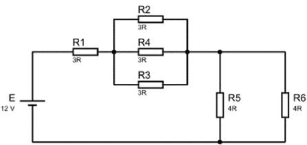
Observe a figura a seguir.

Com base na figura, é correto afirmar que a resistência equivalente, a corrente equivalente, a queda de tensão no resistor 5 e a corrente no resistor 6 são, respectivamente,
Provas
Quanto à classificação do petróleo é correto afirmar que a classe
Provas
Quanto aos estágios evolutivos na geração de hidrocarbonetos é correto afirmar que
Provas
Quanto a produção de gás natural na Bahia é correto afirmar que (,)
Provas
Caderno Container