Foram encontradas 549 questões.
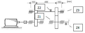
A transmissão representada na figura é movida por um motor elétrico, assíncrono, de indução, trifásico, com potência P = 5,5kW (~7,5cv) e rotação n = 1740rpm. Sabendo-se que a árvore é maciça e o material utilizado é o ABNT 1045, as engrenagens tem os seguintes números de dentes: Z1 = 23 dentes; Z2 = 49 dentes; Z3 = 28 dentes; Z4 = 47 dentes; com m = 2 ,5 mm (módulo) = 20º (angulo de pressão)
Os rendimentos da transmissão são: e = 0,98 (Transmissão/par de engrenagens), m = 0,99 (Par de mancais de rolamentos)

Com base na representação acima, qual potência, o torque e a rotação do eixo número III respectivamente nesta instalação:
Provas
As doenças negligenciadas são aquelas causadas por agentes infecciosos ou parasitas e são consideradas endêmicas em populações de baixa renda. Essas enfermidades também apresentam indicadores inaceitáveis e investimentos reduzidos em pesquisas, produção de medicamentos e em seu controle.
(https://agencia.fiocruz.br/doenças-negligenciadas)
Considere as afirmações sobre o tratamento e controle das doenças negligenciadas corretas, EXCETO:
Provas
A associação entre fungos e as raízes de certas plantas, formando as chamadas micorrizas, é denominada uma relação ecológica do tipo:
Provas
Quanto aos tipos de dados em Geoprocessamento, aqueles que descrevem a distribuição espacial de uma grandeza geográfica, expressa de forma qualitativa, obtidos a partir de levantamento de campo, sendo inseridos no sistema por digitalização ou, de forma mais automatizada, a partir de classificação de imagens são denominados de:
Provas
Animações são responsáveis por dar a impressão de movimento para os elementos de um jogo. Informe se é (V) verdadeiro ou (F) falso o que se afirma a seguir sobre animações em games:
( ) Em jogos 2D, as animações são feitas apresentando várias Sprites levemente diferentes umas das outras em sequência.
( ) Em jogos 3D, os artistas devem criar animações específicas para cada objeto que se move no jogo.
( ) Em jogos 3D, as animações podem ser separadas em dois tipos principais: animação por ossos e animação por vértices.
( ) Em jogos 2D, as animações são apresentadas a partir de um arquivo do tipo GIF.
( ) Em jogos 2D cada personagem possui uma única animação, e partes diferentes dela são apresentadas de acordo com as ações do personagem.
A sequência correta de cima para baixo é:
Provas
Quando se fala em empreendedorismo, remete-se naturalmente ao termo “Plano de Negócios (business plan), que é parte fundamental do processo empreendedor. Os empreendedores precisam saber planejar suas ações e delinear as estratégias da empresa a ser criada ou em crescimento. Referindo-se à importância e características do plano de negócios, é CORRETO afirmar, EXCETO:
Provas
Numerou-se 4 tubos de ensaio e foi adicionado, separadamente, 3 mL da solução de: cloreto de bário (tubo 1), cloreto de cálcio (tubo 2), cloreto de potássio (tubo 3) e cloreto de sódio (tubo 4). E, em seguida, foi adicionado, em cada um deles, 3 mL de solução diluída de ácido sulfúrico. Em qual das alternativas houve a formação de precipitados de todos os metais?
Provas
Disciplina: Segurança e Saúde no Trabalho (SST)
Banca: FAU-UNICENTRO
Orgão: IF-PR
Sobre Segurança do Trabalho, analise o texto a seguir entre aspas, "As empresas que possuam mais de por cento de seus empregados em estabelecimentos ou setores com atividade cuja gradação de risco seja de grau superior ao da atividade principal deverão dimensionar os Serviços Especializados em Engenharia de Segurança e em Medicina do Trabalho, em função do maior grau de risco, obedecido o disposto em Norma Regulamentadora", e assinale a alternativa que apresenta o termo que preenche corretamente o espaço em branco sublinhado do mesmo:
Provas
O existencialismo, no seu sentido mais amplo, é uma filosofia dos séculos XIX e XX que está centrada na análise da existência e do modo como os homens existem no mundo. A ideia é que os seres humanos existem em primeiro lugar e, em seguida, cada indivíduo passa a vida inteira mudando sua essência ou natureza, tendo como filósofos expoentes, assinale a alternativa correta:
Provas
O objetivo do planejamento da capacidade de produção é o de satisfazer as demandas de mercado, para tanto classifique as afirmativas sobre as informações necessárias ao levantamento correto, em verdadeiro ou falso:
( ) Deve prever as vendas para cada linha de produtos.
( ) Deve prever as vendas para produtos individuais dentro de cada linha de produto.
( ) Deve considerar as necessidades de mão de obra e de equipamentos para satisfazer as previsões de cada linha de produtos.
( ) Deve desconsiderar a necessidade de novas contratações de mão de obra e de aquisição de matéria prima.
Com base na avaliação acima a sequência correta de cima para baixo é:
Provas
Caderno Container