Foram encontradas 350 questões.
Associar a Coluna 1 com a Coluna 2.
| Coluna 1 | Coluna 2 |
| 1-Aglomerantes | ( ) aglomerante + água |
| 2-Agregados | ( ) argamassas e concretos |
| 3-Aglomerados | ( ) materiais ativos (pulverulentos) |
| 4-Pasta | ( ) materiais inertes(granulosos) |
| 5-Argamassa miúdo | ( ) aglomerantes + água + agregado |
Provas
Questão presente nas seguintes provas
Assinale a alternativa que substitui as palavras sublinhadas mantendo o mesmo significado das mesmas.
“A contenção dos gastos do governo gerou um declínio da inflação.”
Provas
Questão presente nas seguintes provas
- Linguagens e Suportes MidiáticosProdução AudiovisualTeorias, Conceitos e Terminologia de Audiovisual e Cinema
Uma placa de captura de vídeo só pode ser instalada em:
Provas
Questão presente nas seguintes provas
O deutério é um isótopo do elemento químico hidrogênio. Assinale a alternativa que contém sua representação:
Provas
Questão presente nas seguintes provas
Os pHmetros são equipamentos destinados a medir o pH de soluções e reagentes. Assim, o pHmetro, ao medir uma variação de pH de 5 para 6 em uma solução, estará medindo uma mudança da ordem de:
Provas
Questão presente nas seguintes provas
“Evidenciará as alterações verificadas no patrimônio, resultantes ou independentes da execução orçamentária e indicará o resultado patrimonial do exercício.”
De acordo com a Lei 4.320/64 a afirmativa acima trata
Provas
Questão presente nas seguintes provas
Variando a frequência da portadora com amplitude constante diretamente proporcional a amplitude do sinal modulante com uma relação igual à frequência do sinal modulante, teremos Modulação
Provas
Questão presente nas seguintes provas
A Primeira Lei da Termodinâmica enuncia a conservação:
Provas
Questão presente nas seguintes provas
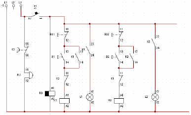
Para o circuito da figura abaixo, assinale a alternativa correta.

Provas
Questão presente nas seguintes provas
Quanto ao controle de qualidade dos reagentes utilizados em microbiologia, os reagentes e testes utilizados para identificação de fungos devem ser examinados uma vez por:
Provas
Questão presente nas seguintes provas
Cadernos
Caderno Container