Foram encontradas 120 questões.

A figura apresenta um circuito elétrico alimentado por uma fonte CC, funcionando em regime permanente com a chave S1 aberta.
Nessas condições, qual é a corrente IF, em miliamperes, fornecida pela fonte?
Provas
Uma unidade aritmética foi construída usando um somador tipo 7483, com entradas A3A2A1A0 (primeiro operando de 4 bits), B3B2B1B0 (segundo operando de 4 bits) e Ci (carry de entrada), além de portas lógicas auxiliares. Sejam X, Y e Z números de 4 bits e K = K1K0 um número de 2 bits usado para a escolha da operação. Considere as ligações listadas a seguir:
A3A2A1A0 = X3X2X1X0
B3 = ( ( !$ ar{K} !$1.Y3) + (K1 .Z3) ) !$ oplus !$ K0
B2 = ( ( !$ ar{K} !$1.Y2) + (K1 .Z2) ) !$ oplus !$ K0
B1 = ( ( !$ ar{K} !$1.Y1) + (K1 .Z1) ) !$ oplus !$ K0
B0 = ( ( !$ ar{K} !$1.Y0) + (K1 .Z0) ) !$ oplus !$ K0
Ci = K0
Nesse caso, a tabela verdade que será oferecida pela saída do somador é
Provas
Um contador crescente de 4 bits, com clear e load síncronos, oferece a saída Q3Q2Q1Q0. Sabendo-se que o número em binário 1000 está ligado à sua entrada paralela de carregamento, que a lógica (Q2.Q0) aciona o load e que a lógica (Q3.Q1) aciona o clear, o número de estados da sequência permanente é
Provas

A figura acima ilustra um multiplexador de 4 entradas para 1 saída e o mapa de Karnaugh a ser implementado para o sinal digital W através do circuito. Os sinais S1 e S0 são as entradas de controle do integrado, onde S1 representa o bit mais significativo. O bloco tracejado deverá conter os circuitos que conectarão os sinais X e Y às entradas do multiplexador. A fim de reproduzir o mapa de Karnaugh, qual é a expressão booleana do circuito que será conectado ao pino IP2?
Provas
|
XYZ |
|||||||||
| 000 | 001 | 011 | 010 | 110 | 111 | 101 | 100 | ||
|
UV |
00 | 0 | d | 0 | 0 | 0 | d | 0 | 0 |
| 01 | d | 0 | 0 | 1 | 1 | 0 | 0 | 1 | |
| 11 | 1 | 0 | 0 | 1 | 1 | 0 | 0 | 1 | |
| 10 | 1 | 0 | 0 | 0 | 0 | 0 | 0 | 1 | |
A tabela acima foi montada com as combinações dos sinais digitais U, V, X, Y e Z, que acarretam a ativação (nível lógico 1) do sinal F.
As posições indicadas com d representam situações irrelevantes (don’t care), isto é, situações em que as correspondentes combinações dos sinais U, V, X, Y e Z não ocorrerão na prática.
Com base na tabela acima, qual é a expressão booleana mais simplificada que corresponde ao sinal F?
Provas
Ao implementar uma rotina de manipulação da exceção 0Eh (falta na paginação), é INCORRETO afirmar que o processador x86 precisa
Provas

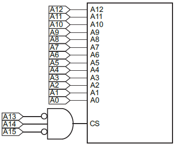
A figura ao lado apresenta o esquemático de uma memória de 8 bits, conectada ao barramento de endereços de um computador. Pela análise da figura, conclui-se que a faixa de endereços usada pela memória é
Provas
mov cx,4
mov esi,20000000h
mov dx,6000h
rep outs dx, dword ptr [esi]
Ao executar a sequência de instruções acima, o número de ciclos de barramento gastos pela instrução rep outs e o número de bytes transferidos, num processador x86 com 32 bits de barramento de dados externo, são, respectivamente:
Provas

O circuito apresentado na figura acima mostra um transistor MOSFET, construído numa tecnologia em que a tensão de limiar é igual 1 V (Vth = 1 V). Para que o transistor opere na região de saturação, os valores dos resistores R1 e R2, em k!$ Omega !$, deverão ser, respectivamente,
Provas
Numa dada tubulação, um manômetro é conectado a um medidor de vazão do tipo placa de orifício com coeficiente 0,6, sendo que a área do orifício é de 3×10-3 m2. Considere que o fluido seja incompressível e tenha densidade de 800 kg/m3 e que a aceleração da gravidade seja 10m/s2.
Se a leitura do manômetro for 16 kPa, a vazão do fluido, em m3/s será:
Provas
Caderno Container