Foram encontradas 100 questões.
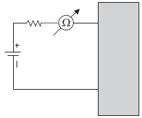
Deseja-se medir um resistor utilizando um ohmímetro. Dentre as representações abaixo, qual corresponde à forma correta de se utilizar o ohmímetro?
Provas
Deseja-se medir o período e a amplitude de um sinal senoidal na saída de um circuito. Para isso foi utilizado um osciloscópio que apresentou em sua tela o gráfico ao lado. Qual regulagem no osciloscópio deve ser feita para realizar a medição?
Provas
Deseja-se medir a corrente em um resistor. A forma correta de se ligar o amperímetro é descrita por
Provas

Considerando o amplificador operacional ideal, a tensão de saída Vo no circuito abaixo é dada por:
Provas
A atenuação no espaço livre em dB a uma distância d de uma antena isotrópica que irradia um sinal de comprimento de onda !$ lambda !$ é dada por
Provas
Um transmissor foi ligado a uma antena através de um cabo. Após certo tempo de operação, alguns componentes eletrônicos do transmissor foram danificados devido à excessiva reflexão do sinal, concluindo-se que havia um mau casamento de impedância entre o cabo e a antena. Calculou- se, então, o VSWR para cinco cabos com impedâncias diferentes, obtendo-se os seguintes valores:
| Cabo | VSWR |
| A |
2.5:1 |
| B |
4:1 |
| C |
1.8:1 |
| D |
1.5:1 |
| E |
2:1 |
O cabo que deve ser utilizado para se obter um melhor casamento de impedância é
Provas

O diagrama acima mostra um esquema genérico de um
Provas

A figura acima representa o
Provas
Leonardo pegou um baralho com 52 cartas (13 de cada naipe), embaralhou-as e, em seguida, fez, sem olhar, um monte com as 52 cartas dispostas para baixo. Se Leonardo retirar a primeira carta desse monte, qual a probabilidade de que esta não seja vermelha e nem apresente um número par?
Provas
O gráfico abaixo apresenta os percentuais de acerto dos candidatos do concurso Z ao responderem às 5 questões de uma prova, todas de múltipla escolha.

Sabendo-se que 24.000 candidatos acertaram mais da metade das questões, mas não gabaritaram a prova, quantos candidatos há no concurso Z?
Provas
Caderno Container