Foram encontradas 2.276 questões.

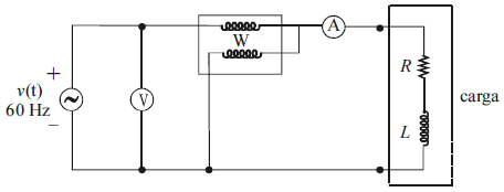
A figura acima mostra um circuito monofásico, alimentado por fonte de tensão senoidal, cuja freqüência é igual a 60 Hz. Três instrumentos ideais são adequadamente inseridos no circuito para medir a tensão, a corrente e a potência ativa consumida pela carga. Os valores de tensão e corrente são eficazes, enquanto o valor de potência é uma grandeza média. Para determinada condição de operação, os valores das leituras desses instrumentos são: 200 V, 10 A e 800 W. Com relação à indicação dos instrumentos e aos elementos de circuito, julgue os itens subseqüentes.
Não é possível se ligar o wattímetro nesse circuito de modo que sua leitura indique o valor da potência reativa absorvida pela carga.
Provas
A geração de energia elétrica é normalmente realizada por meio de geradores síncronos, em tensão alternada e trifásica. Acerca desse processo de geração, julgue o item subseqüente.
A geração de energia elétrica no Brasil é predominantemente de origem hidráulica.
Provas
Provas

Provas
Para favorecer a eficiência, é essencial dispor de técnicas que possibilitem planejar, controlar e coordenar projetos de naturezas diversas. O modelo PERT-CPM corresponde a uma técnica voltada para esse objetivo. A respeito desse modelo, julgue o item a seguir.
Uma desvantagem das redes de planejamento PERT é o fato de elas não permitirem a reavaliação do projeto em função de necessidades de alteração.
Provas
Com relação à organização industrial e à do trabalho, julgue o item seguinte.
As condições ambientais do trabalho influem de forma decisiva no desempenho dos empregados da empresa. Dessa forma, o ambiente de trabalho deve ser, na medida do possível, isento de fatores de risco à saúde e à segurança do trabalhador.
Provas
Provas
O sistema de distribuição de energia elétrica é parte de um sistema interligado que compreende cidades, bairros, áreas industriais, entre outros. Em relação a esse assunto, julgue o item seguinte.
Um grupo de consumidores pertencente a um sistema de distribuição primária duplo radial seletivo pode não ser afetado sob o ponto de vista de interrupção, mesmo havendo problema em um transformador que supra esse grupo.
Provas
A respeito do dimensionamento dos condutores dos diversos circuitos que compõem uma instalação elétrica de baixa tensão, julgue o item que se segue.
O dimensionamento dos condutores normalmente é feito considerando-se uma temperatura ambiente única de 22 ºC.
Provas
Julgue o item a seguir, relativos a máquinas elétricas.
Considere a seguinte situação.
Um motor CC em conexão shunt estava operando normalmente, quando o operador, com o intuito de corrigir a velocidade do motor, fez um ajuste no reostato de campo. Com esse ajuste, a velocidade do motor começou a aumentar rápida e perigosamente. Ao perceber a situação, o operador desfez o ajuste, retornando o cursor do reostato à posição original. Com isso, o motor voltou a funcionar como antes
Nessa situação, uma possível causa para o problema é uma descontinuidade ocorrida em determinada parte do reostato.
Provas
Caderno Container