Foram encontradas 1.257 questões.
Analise a frase abaixo sobre as características das águas doces, salobras e salinas destinadas à balneabilidade (recreação de contato primário) considerada de muito boa qualidade de acordo com a Resolução CONAMA 274/00.
Quando em 80% ou mais de um conjunto de amostras obtidas em cada uma das cinco semanas anteriores, colhidas no mesmo local, houver, no máximo, coliformes fecais (termotolerantes) ou Escherichia coli ou enterococos por 100 mililitros.
Assinale a alternativa que completa corretamente as lacunas do texto.
Provas
O novo código florestal brasileiro apresenta algumas definições para melhor entendimento da lei.
Analise as afirmativas abaixo em relação ao assunto.
1. Olho d’água: a calha por onde correm regularmente as águas do curso d’água durante o ano.
2. Várzea de inundação ou planície de inundação: áreas marginais a cursos d’água sujeitas a enchentes e inundações periódicas.
3. Leito regular: afloramento natural do lençol freático, mesmo que intermitente.
Assinale a alternativa que indica todas as afirmativas corretas.
Provas
No plano diretor do município constam quais áreas são consideradas como Área de Preservação Permanente. Dentre elas tem-se:
1. As áreas no entorno dos reservatórios d’água artificiais, decorrentes de barramento ou represamento de cursos d’água naturais, na faixa definida na licença ambiental do empreendimento.
2. As áreas no entorno das nascentes e dos olhos d’água perenes, qualquer que seja sua situação topográfica, no raio mínimo de 30,00 m.
3. As encostas ou partes destas com declividade superior a 45°, equivalente a 100% na linha de maior declive.
Assinale a alternativa que indica todas as afirmativas corretas.
Provas
De acordo com o novo código florestal brasileiro:
No que tange à delimitação das Áreas de Preservação Permanente, são consideradas as áreas em altitude superior a metros, qualquer que seja a vegetação.
Assinale a alternativa que completa corretamente a lacuna do texto.
Provas
Em conformidade com a legislação da matéria em vigor, assegurar à atual e às futuras gerações a necessária disponibilidade de água, em padrões de qualidade adequados aos respectivos usos, é:
Provas
Assinale a alternativa que indica corretamente a periodicidade de divulgação do Relatório de Qualidade de Meio Ambiente o Instituto Brasileiro do Meio Ambiente e Recursos Naturais Renováveis (IBAMA).
Provas
Assinale a alternativa que indica corretamente a licença ambiental que permite a construção e ocupação do canteiro de obras em um empreendimento.
Provas
Caso 2
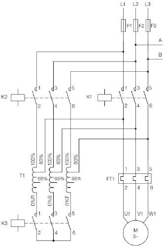
Responda a questão com relação ao diagrama de potência da chave de partida para acionamento de motor de indução trifásico.

Analise as afirmativas abaixo com base no diagrama apresentado no caso 2.
1. Os sensores de corrente do tipo TC estão parametrizados para medir 80% da corrente nominal.
2. Um disjuntor motor é responsável pela proteção do motor contra sobrecorrentes.
3. Nessa chave de partida, as contatoras K2 e K1 não podem ser acionadas ao mesmo tempo.
Assinale a alternativa que indica todas as afirmativas corretas.
Provas
Responda a questão com relação ao diagrama de potência da chave de partida para acionamento de motor de indução trifásico.

Qual a chave de partida mostrada no diagrama?
Provas
Analise as afirmativas abaixo de acordo com as regras oficiais do voleibol (FIVB, 2017-2010).
1. A área de jogo compreende a quadra de jogo e a zona livre. Deverá ser retangular e assimétrica.
2. A zona de saque é uma área de 18 metros de largura, situada após cada linha de fundo.
3. A quadra de jogo é um retângulo medindo 18 metros × 9 metros, circundada por uma zona livre de, no mínimo, 3 metros de largura em todos os lados.
4. A zona de substituição é delimitada pelo prolongamento imaginário de ambas as linhas de saque até a mesa do apontador.
5. A Zona de Troca do Líbero é a parte da zona livre no lado do banco das equipes, limitada pela extensão da linha de ataque até a linha de fundo.
Assinale a alternativa que indica todas as afirmativas corretas.
Provas
Caderno Container