Foram encontradas 576 questões.

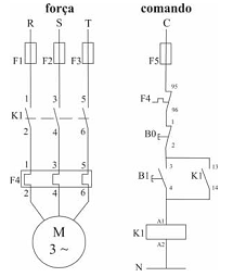
A figura apresentada representa um diagrama de comando para um motor trifásico. O tipo de acionamento correspondente ao esquema é partida
Provas

Se os circuitos são equivalentes, a impedância ZA da configuração estrela é
Provas

A corrente de curto-circuito no ponto 1 do circuito apresentado, assumindo 1,73 como valor aproximado de √3, é igual a
Provas

Considerando-se as informações na tabela, que apresenta resultados do ensaiado em circuito aberto e em curto-circuito realizado em um transformador monofásico de 10 kVA, 2.200/220V, 60 Hz, infere-se que o valor da resistência que representa as perdas no núcleo de ferro é
Provas

A figura ilustra um condutor, em forma de U, imerso em um campo magnético uniforme, de módulo B, perpendicular ao plano da figura e direcionado para dentro da folha de papel. Uma haste metálica, de comprimento L, foi colocada sobre o condutor formando um circuito fechado. Em seguida, a haste foi posta em movimento com velocidade constante V0. Considerando que a resistência do circuito é igual a R, assinale a opção que apresenta, respectivamente, o módulo da força eletromotriz induzida no circuito e a corrente induzida.
Provas

A figura acima ilustra um circuito constituído de quatro resistores ideais e uma fonte de tensão, também ideal. A respeito das tensões nos terminais dos resistores ilustrados nessa figura, assinale a opção correta.
Provas

Considerando a figura, que apresenta um circuito ideal de corrente alternada, alimentado por uma fonte de tensão com valor eficaz 100 V, assinale a opção correta.
Provas
Provas

Com base na previsão de evolução da matriz de transporte de cargas no Brasil apresentada na figura acima e nas características dos modais, assinale a opção correta.
Provas
- Gerenciamento, Planejamento e Controle de Obras
- Orçamento no Planejamento e Controle de Obras na Engenharia Civil
Provas
Caderno Container