Foram encontradas 486 questões.

Como meio de controlar esse defeito NÃO é correto proceder à/ao
Provas
Provas

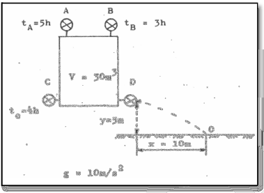
O valor da velocidade da água na seção A, indicada na figura, sabendo-se que o diâmetro é de 1 metro, é
Provas

A área da seção de saída de D para que o jato de água possa atingir o ponto 0, considerando-se que a aceleração da gravidade é igual a 10 m/s2 , é
Provas

Os microconstituintes formados no ponto A são
Provas
Um sistema de entrada única e saída única é representado em espaço de estado pela equação

A função de transferência G(s) do sistema é:
Provas
No circuito representado na figura a seguir, a corrente de coletor IC é de 0,99 IE mA e a tensão da junção base-emissor é de 0,7 volts. A tensão de coletor (VC) e a corrente de emissor (IE) são, respectivamente, iguais a

Provas
Na função de transferência abaixo, os zeros finitos desta função são

Provas
No circuito da figura abaixo o amplificador operacional é ideal. Supondo que a tensão vb seja igual a 6 V, o intervalo no qual deve ser mantida a tensão va para que o amplificador operacional não entre na região de saturação é

Provas
Em relação ao CLP em linguagem LADDER, pode-se afirmar que:
I – o contato selo é utilizado para manter a saída energizada, independente de qualquer comando de entrada;
II – o contato selo é utilizado para manter a saída energizada, mesmo após o desligamento da entrada;
III – o contato selo é utilizado para manter a saída energizada somente quando a entrada estiver desligada.
Está correto o que se afirma em
Provas
Caderno Container