Foram encontradas 3.478 questões.

A aplicação correta de símbolos e dimensões para a contagem de solda é fundamental para fabricação e montagem de estruturas ou equipamentos. Na figura acima é ilustrada uma sequência para solda por pontos. Qual a representação correta para essa solda?
Provas
|
Diâmetro Nominal |
Diâmetro Nominal [!$ mu !$ mm ] |
H7 |
|
55 |
12 | 30 |
| -7 | 0 |
Pelos dados da tabela de afastamentos acima, o ajuste 55 H7/j6 tem as seguintes características:
Provas
Quatro blocos padrão de valor nominal 50 mm são colados para obter um comprimento total de 200 mm. Sabendo-se que cada bloco padrão foi calibrado com um bloco de referência de 50 mm e com uma incerteza padrão dada no certificado de calibração de 0,1 m, a incerteza padrão, em m, desse conjunto é Dado: coeficiente de sensibilidade e de correlação estimado igual a 1
Provas
Um gabarito de referência tem valor nominal de 24,55 mm e erro máximo admissível especificado pelo fabricante de ± 0,3 mm. Qual o valor aproximado, em mm, da incerteza padrão?
Provas
| Lado | Medida |
| A | 2" |
| B | 4" |
Um paquímetro de Vernier 1/128 é utilizado para medir os lados de um retângulo. Considerando os valores apresentados na tabela acima, qual o valor da área desse retângulo?
Provas

A medida indicada no goniômetro ilustrado acima, de resolução 5’, é
Provas
|
Bloco |
Medida |
| A |
5 mm |
| B |
5 mm |
| C |
6 mm |
| D |
7 mm |
| E |
7 mm |
| F |
8 mm |
Um relógio comparador de resolução 0,01 mm é utilizado para medir 6 blocos de aço montados em série. Considerando os valores apresentados na tabela acima, o comprimento final do conjunto formado pelo alinhamento dos blocos é
Provas

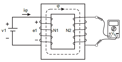
A figura acima mostra um transformador monofásico ideal, alimentado por uma fonte de Tensão CC, onde v1 = 100 V. Sabendo-se que o número de espiras nos enrolamentos N1 e N2 são 100 e 5, respectivamente, o valor da tensão induzida medida pelo voltímetro instalado no enrolamento N2 é
Provas

A figura acima apresenta um programa em Ladder que aciona uma bomba d’água. Seu correspondente em lista de instruções é
Provas
Tratando-se de redes de campo, o protocolo Profibus se divide nas seguintes versões:
Provas
Caderno Container