Foram encontradas 2.327 questões.

A figura acima mostra as curvas características de disparo de um relé de sobrecarga que comanda a abertura de um disjuntor, onde Ie é a corrente de atuação do relé. Sabe-se que a corrente de atuação do relé é 500 A, a relação de transformação do TC utilizado é 50 e a classe de partida é igual a 5 s. O tempo, em segundos, para que o disjuntor se desligue com uma corrente de 4.000 A é
Provas
Questão presente nas seguintes provas

A figura acima apresenta a planta baixa de um dos cômodos de uma casa. O circuito que alimenta esse cômodo chega por uma das luminárias pontuais. Para que as duas luminárias sejam comandadas simultaneamente, por meio dos dois interruptores paralelos, é necessário que, nos trechos A, B e C da linha, passem os seguintes condutores:
| TRECHO A | TRECHO B | TRECHO C |
Provas
Questão presente nas seguintes provas
Relés de sobrecorrente estáticos são equipamentos destinados a subestações de menor porte, instalados junto aos disjuntores de média tensão, dispensando alimentação auxiliar. Suponha que um desses relés seja instalado no polo do disjuntor que protege um transformador trifásico de 200 kVA, alimentando uma pequena indústria. A tensão primária é de 13,8 kV, e a corrente máxima é igual a 130% da carga nominal do transformador. Nessas condições, o valor aproximado, em ampères, da corrente de ajuste da unidade temporizada desse relé é igual a
Provas
Questão presente nas seguintes provas
Seja um conversor CC-CC, tipo abaixador, considerado ideal, operando em modo contínuo e em regime permanente, cuja corrente média de entrada é 2 A. Sendo a corrente média de saída igual a 10 A, e a tensão média de entrada igual a 10 V, o valor da tensão média de saída, em volts, será igual a
Provas
Questão presente nas seguintes provas

A geração de energia elétrica a partir de usinas termelétricas ganhou espaço no parque gerador brasileiro nos últimos anos. A tecnologia a ciclo combinado, onde sistemas de geração a gás e vapor operam em conjunto, tem sido empregada nessas usinas. A figura acima apresenta um esquema simplificado do princípio de funcionamento de uma usina termelétrica a ciclo combinado. Na figura, os elementos indicados pelas letras G, H e J correspondem, respectivamente, a
Provas
Questão presente nas seguintes provas
Projeto de sistemas de aterramento para cargas sensíveis tem sido motivo de crescente preocupação entre os engenheiros eletricistas. Dentre as filosofias de aterramento utilizadas, uma delas prevê o aterramento das carcaças dos equipamentos eletrônicos através do condutor de proteção que se encontra conectado à barra de proteção, no quadro de distribuição de circuitos. Nesse quadro, além dos barramentos de fase e neutro, estão também previstas duas barras de terra, uma para proteção e outra de referência de sinal. As duas barras mencionadas estão conectadas à malha de terra do sistema de força. A descrição apresentada acima refere-se ao sistema de aterramento
Provas
Questão presente nas seguintes provas

No acionamento de máquinas de indução, estão disponíveis várias tecnologias com objetivos diversos. Entre eles, situa-se a redução da corrente de partida de motores de elevada potência através da diminuição da tensão de alimentação de maneira controlada, com o auxílio de conversores estáticos de potência (CEP). A figura acima apresenta o circuito simplificado de partida de um motor trifásico conectado em Y, acionado através de um CEP, onde, através da variação de !$ alpha !$, ângulo de disparo dos tiristores Tk (k =1, 2, ..., 6), a tensão, nos terminais da máquina, pode ser controlada. O conversor é alimentado por uma tensão trifásica e equilibrada de fases R, S e T. Nesse contexto, o circuito acima representa o acionamento do motor através de um(a)
Provas
Questão presente nas seguintes provas

Considere um conversor tipo CC-CA em ponte completa, monofásico, conforme a figura acima, sendo acionado pela estratégia de chaveamento do tipo PWM bipolar. Nessa estratégia, a frequência da portadora triangular é de 1,8 kHz e valor de pico de 10 V, enquanto a tensão de controle senoidal possui frequência igual a 60 Hz e valor de pico de 8 V. Esse conversor apresenta quatro chaves controláveis (TA+, TA-, TB+ e TB-) e seus respectivos diodos em antiparalelo (DA+, DA-, DB+ e DB-). Adicionalmente, o conversor é alimentado por uma tensão CC constante Vd, e vo é a tensão de saída. Nessas condições, o índice de modulação de frequência (mf) e o índice de modulação de amplitude (ma) desse conversor são, respectivamente,
Provas
Questão presente nas seguintes provas
Um motor síncrono trifásico, de polos salientes, está conectado a um barramento infinito. As reatâncias síncronas de eixo direto e de quadratura por fase valem, respectivamente, xd = 2 !$ Ω !$ e xq = 1,8 !$ Ω !$. Sabe-se que a tensão induzida no motor e a tensão do barramento infinito, por fase, valem 1.500 V e 1.450 V, respectivamente. O valor máximo da potência de conjugado da relutância do motor, em W, é, aproximadamente,
Provas
Questão presente nas seguintes provas

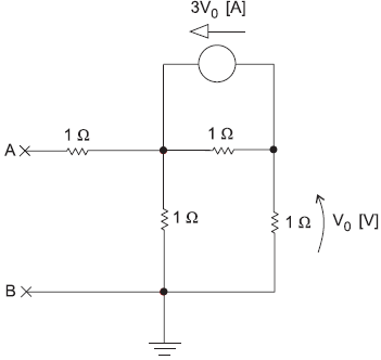
A resistência equivalente do circuito representado acima, entre os pontos A e B, em ohms, é, aproximadamente,
Provas
Questão presente nas seguintes provas
Cadernos
Caderno Container