Foram encontradas 780 questões.

Este equipamento apresenta um defeito, pois o rotor não está girando quando a chave é acionada. Para localizar o defeito, o esmeril foi desligado da tomada e os testes abaixo foram realizados por um multímetro digital na escala de 2 k%u03A9:

O provável problema do circuito é
Provas
A ilustração abaixo mostra dois parafusos cujos diâmetros estão sendo medidos por uma escala graduada em polegadas.

O diâmetro dos parafusos I e II valem, respectivamente,
Provas
Os esquemas abaixo representam a operação de um dispositivo acionado por uma chave S e comandando uma lâmpada L. A chave S aberta é representada por um nível baixo e fechada por um nível alto; a lâmpada L apagada é representada por um nível baixo e fechada por um nível alto.

Trata-se de
Provas
Utilize as informações abaixo para responder às questões de números 49 e 50.

No eletroduto X,
Provas
Utilize as informações abaixo para responder às questões de números 49 e 50.

O dispositivo Y representa
Provas
O grau de proteção de motores elétricos é dado pelas letras IP seguidas por dois algarismos. O segundo algarismo indica o grau de proteção contra
Provas
A tensão aproximada da linha telefônica em três situações distintas está corretamente expressa em:
Provas
Um sistema de aquecimento é composto por um conjunto de resistências conforme o esquema abaixo:

A resistência equivalente do circuito resistivo para cada condição das chaves S1, S2 e S3 está corretamente indicada em:
Provas
Um motor elétrico é composto por um sistema de transmissão por correia. O diâmetro da polia motora (conectada ao rotor) é 250 mm e o da polia movida é 100 mm. Para que a polia movida gire com 3 000 rpm, a velocidade do rotor deve ser
Provas
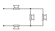
Um amplificador monofônico com impedância de saída de 8 Ω será utilizado para sonorizar um ambiente. De que modo devem ser ligados quatro alto-falantes de 8 Ω para garantir o casamento de impedâncias?
Provas
Caderno Container