Foram encontradas 200 questões.
Que tipo de ajuste existe no acoplamento, em que a dimensão do eixo é !$ \oslash !$ 60 mm (+10 !$ \mu !$m, +20 !$ \mu !$m), e a dimensão do furo é igual a !$ \oslash !$ 60 mm (-5 !$ \mu !$m, +5 !$ \mu !$m)?
Provas
Questão presente nas seguintes provas
Duas formas de intervenção, citadas por Simões, constituem a base da tática ofensiva. Quais são?
Provas
Questão presente nas seguintes provas
A atividade fabril, sediada preferencialmente nas cidades, subordinou as atividades agropecuárias a suas necessidades econômicas.
Para atender a demanda da indústria, o setor agropecuário precisaria produzir em grande quantidade e em um período de tempo menor, o que exigiria um aperfeiçoamento das técnicas de produção.
Isso levou o espaço agrário a
Provas
Questão presente nas seguintes provas
Sobre o protocolo PROFIBUS, são lançadas as afirmativas:
I. O padrão RS 485 é a tecnologia de transmissão mais freqüentemente utilizada. Um cabo trançado de cobre blindado com um único par condutor é o suficiente para implantar esse meio físico.
II. O protocolo de acesso ao barramento inclui o procedimento de passagem do token, que é utilizado pelas estações ativas da rede (mestres) para definir quem terá o direito de comunicar e o procedimento mestre-escravo, que é utilizado por estações ativas para se comunicarem com as estações passivas (escravos).
III. Os arquivos GSD fornecem a descrição das características de um dispositivo em formato padronizado. Esses arquivos são preparados pelo fabricante do dispositivo e suas informações são utilizadas no momento da configuração da rede.
Estão corretas as afirmativas
Provas
Questão presente nas seguintes provas
“O que na paisagem atual, representa um tempo do passado, nem sempre é visível como tempo, nem sempre é redutível aos sentidos, mas apenas ao conhecimento. Chamemos rugosidade ao que fica do passado como forma, espaço construído, paisagem, o que resta do processo de supressão, acumulação, superposição, com que as coisas se substituem e acumulam em todos os lugares.”
(SANTOS, Milton. A Natureza do Espaço. São Paulo: EDUSP,2002,p.140)
O termo rugosidade, utilizado por Milton Santos, refere-se
Provas
Questão presente nas seguintes provas
Ao se executar uma engrenagem cilíndrica de dentes helicoidais com módulo igual a 2 (dois), número de dentes igual a 85 e ângulo de inclinação da hélice igual a 18º, tem-se
Provas
Questão presente nas seguintes provas
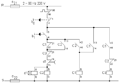
Observe a figura abaixo, sabendo-se que d1 é um temporizador e que o tempo ajustado é de 20 segundos.

Quais dispositivos serão energizados no instante em que for pressionado o botão de comando b1?
Provas
Questão presente nas seguintes provas
Cartografia: uso da escala. Nas análises geográficas, a escala está relacionada ao tamanho dos objetos estudados e ao nível de detalhe a ser utilizado.
No que se refere à escala, preencha V para a sentença verdadeira e F para a sentença falsa:
( ) A escala é denominada como maior, ou grande, quando ilustra elevado número de detalhes e, conseqüentemente, menor área representada.
( ) A escala menor, ou pequena, significa grande número de detalhes e maior área de abrangência.
( ) Não existe escala cartográfica perfeita, pois é impossível representar a esfera terrestre em um plano.
( ) A escala cartográfica somente poderá ser expressa numericamente por uma fração.
A seqüência correta é
Provas
Questão presente nas seguintes provas
O desenvolvimento da industrialização em todo o mundo tem concorrido para a expansão das “manchas” urbanas, e as populações que aí vivem são particularmente afetadas por três tipos de fenômenos:
Provas
Questão presente nas seguintes provas
Observe o desenho abaixo.

No Desenho Técnico algumas cotas em milímetros (mm) estão indicando os afastamentos de acordo com as necessidades funcionais de cada parte da peça. Assim pode-se afirmar que
I. a dimensão efetiva do diâmetro maior é maior que a dimensão nominal.
II. a tolerância do comprimento da peça é de 0,5mm.
III. a dimensão mínima do diâmetro menor é 12,12mm.
Está(ão) correta(s) a(s) afirmativa(s)
Provas
Questão presente nas seguintes provas
Cadernos
Caderno Container